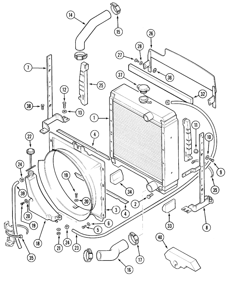
Запчасти Case IH 5120 (2-02) - RADIATOR AND CONNECTIONS (02) - ENGINE

Схема запчастей Case IH 5120 - (2-02) - RADIATOR AND CONNECTIONS (02) - ENGINE
28
8
33
2
20
16
12
13
6
5
35
26
1
38
11
15
21
22
24
3
20
17
40
35
37
14
4
39
10
9
23
24
19
36
7
34
32
27
4
18
25
19
FIT
1:1
100%

Артикул

Название

Примечание

Количество

1

104753A1

RADIATOR

ASSY.

1шт.

2

217-86

PLUG,Hex Hd, 1/4"-18, Brass

- hex head, 1/4 inch PT

1шт.

3

A173459

SHROUD

fan

1шт.

4

A173165

SEALING STRIP

fan shroud, radiator

2шт.

5

614-8016

BOLT,Hex, M8 x 1.25 x 16mm, Cl 8.8, Full Thd

hex, full threads, 8 - 1.25 x 16 mm

7шт.

6

895-15008

WASHER,9mm ID x 20mm OD x 1.6mm Thk

7шт.

7

1531329C1

SUPPORT

BRACKET radiator, left

1шт.

8

1531328C1

SUPPORT

BRACKET radiator, right

1шт.

9

614-10030

BOLT,Hex, M10 x 1.5 x 30mm, Cl 8.8, Full Thd

Full Thd Hex, M10 x 30, 8.8

4шт.

10

895-11010

WASHER,11mm ID x 20mm OD x 2mm Thk

- plain, 11 x 20 x 2 mm

4шт.

11

T100568

RUBBER

MOUNTING rubber

4шт.

12

614-10030

BOLT,Hex, M10 x 1.5 x 30mm, Cl 8.8, Full Thd

Full Thd Hex, M10 x 30, 8.8

4шт.

13

934674R1

WASHER,M10.5 x 30 x 2.5

flat, 10.5 x 30 x 2.5 mm

4шт.

14

T103198

RADIATOR HOSE,45.00 mm ID x 300.00 mm, SAE J20,SAE 20R4 CLASS D1

Inlet 45.00 mm ID x 300.00 mm, SAE J20,SAE 20R4 CLASS D1

1шт.

15

214-1428

HOSE CLAMP,#28, 1.31" - 2.25", Type F Worm

CLAMP, HOSE, , Adjustable, Open #28, 1.31/2.25 Type F Worm

2шт.

16

T103197

RADIATOR HOSE,58.00 mm ID x 250.00 mm, SAE J20,SAE 20R4 CLASS D1

Outlet 58.00 mm ID x 250.00 mm, SAE J20,SAE 20R4 CLASS D1

1шт.

17

214-1440

HOSE CLAMP,#40, 2.06" - 3", Type F Worm

CLAMP hose, adjustable, 2-1/16 - 3 open

2шт.

18

A189107

RESERVOIR

CONTAINER coolant recovery

1шт.

19

614-8020

BOLT,Hex, M8 x 1.25 x 20mm

hex, full threads, 8 - 1.25 x 20 mm

2шт.

20

895-15008

WASHER,9mm ID x 20mm OD x 1.6mm Thk

3шт.

21

825-1408

NUT,M8, Cl 8

1шт.

22

1547924C1

CAP

screw-on, tethered, coolant recovery bottle

1шт.

23

NSS

NOT SOLD SEPARAT

HOSE, 1055 mm, coolant recovery, cut from L126767

1шт.

24

A171099

HOSE CLAMP,13.2mm - 15.4mm

CLAMP hose

3шт.

25

1533890C2

SEALING STRIP

STRIP foam

2шт.

26

1531616C2

PLATE ASSY.

1шт.

27

614-8016

BOLT,Hex, M8 x 1.25 x 16mm, Cl 8.8, Full Thd

hex, full threads, 8 - 1.25 x 16 mm

4шт.

28

895-11008

WASHER,9mm ID x 16mm OD x 1.6mm Thk

flat, 9 x 16 x 1.6 mm

4шт.

32

1533889C2

SEALING STRIP

STRIP sealing

1шт.

33

1533887C1

FOAM INSULATION

FOAM seal, right

1шт.

34

1533888C1

SEAL

FOAM seal, left

1шт.

35

3148767R2

COLLAR CLAMP

STRAP cable

2шт.

36

905920R1

SHIM,M9 ID x 15 OD x .5 Thk

9 x 15 x 0.5 mm

1шт.

37

A170241

RADIATOR CAP

CAP, RADIATOR, Filler, 15 psi

1шт.

38

854-10030

BOLT,Hvy Hex, M10 x 30mm, Cl 10.9

heavy hex flange, 10 - 1.5 x 30 mm, Class 10.9

2шт.

39

1998841C1

HOSE

coolant recovery

1шт.

40

1533978C2

FOAM

SEAL foam

1шт.

L126767

HOSE,7.9mm ID x 2336mm L, SAE 30R6

1шт.

Выбрано товаров: 38