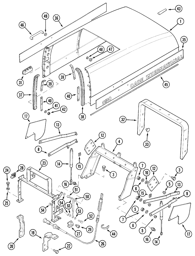
Запчасти Case IH 5120 (9-046) - HOOD SHEET AND RELATED PARTS, 5120 (09) - CHASSIS/ATTACHMENTS

Схема запчастей Case IH 5120 - (9-046) - HOOD SHEET AND RELATED PARTS, 5120 (09) - CHASSIS/ATTACHMENTS
50
4
27
25
16
8
10
17
44
13
40
16
14
39
31
36
12
24
51
35
7
49
33
6
32
53
28
7
9
41
17
12
52
20
39
54
22
13
42
43
3
46
6
53
14
5
15
3
48
37
1
19
26
29
15
47
23
38
54
45
40
5
5
FIT
1:1
100%

Артикул

Название

Примечание

Количество

1

1531418C6

HOOD ASSY.

HOOD - assembly

1шт.

3

614-10030

BOLT,Hex, M10 x 1.5 x 30mm, Cl 8.8, Full Thd

Full Thd Hex, M10 x 30, 8.8

8шт.

4

1533982C2

SUPPORT ASSY.

BRACKET - front

1шт.

5

T101162

BUSHING,10mm ID x 15mm OD x 10mm L

-

8шт.

6

934674R1

WASHER,M10.5 x 30 x 2.5

- flat, 10.5 x 30 x 2.5 mm

8шт.

7

934819R1

LOCK NUT,M10 x 1.5, Thin

NUT, LOCK, M10 x 1.5, Thin

8шт.

8

1533920C1

SUPPORT ASSY.

BRACKET - hood, left lower

1шт.

9

1533921C1

SUPPORT ASSY.

BRACKET - hood, right lower

1шт.

10

T101163

WASHER

-

4шт.

12

1534264C1

PLATE

- front

2шт.

13

T103240

BRACKET

- hood, upper

2шт.

14

1531489C1

GAS STRUT

STRUT - gas

2шт.

15

T101806

RING

- retaining

2шт.

16

1531344C1

PIN

BALL - stud

2шт.

17

T103238

SHROUD

- hood

2шт.

19

T104560

BRACKET

- frame, right

1шт.

20

T104559

HOLDER

BRACKET - frame, left

1шт.

22

614-10035

BOLT,Hex, M10 x 1.5 x 35mm, Cl 8.8, Full Thd

- hex, full threads, 10 - 1.5 x 35 mm

4шт.

23

1533154C2

FRAME ASSY

FRAME - assembly, rear (Cab/ ROPS, Serial Range: JJF1016704-JJF1017199

1шт.

23

1534285C4

FRAME ASSY

FRAME - assembly, rear (Cab/ ROPS, Serial Range: JJF1016705-JJF1017200

1шт.

24

614-10025

BOLT,Hex, M10 x 1.5 x 25mm, Cl 8.8

4шт.

25

934281R1

WASHER,M10.5 ID x 20 OD x 2 Thk

- plain, 10.5 mm

4шт.

26

1531883C2

BOWDEN CONTROL,1878mm L

CABLE - assembly (Cab, ROPS), Serial Range: JJF1016704-JJF1017199

1шт.

27

T104554

GUIDE

- right

1шт.

28

T104553

GUIDE

- left

1шт.

29

614-6016

BOLT,Hex, M6 x 1 x 16mm, Cl 8.8, Full Thd

4шт.

31

T104443

TROUGH

GRIP - recessed (If fitted)

2шт.

32

1533700C3

SEAL

- hood

1шт.

33

1533974C1

CLIP,ELECTRICAL

CLIP - hood

8шт.

35

REF

INSTRUCTION

DECAL - right, 5120, (See Figure 9-158)

1шт.

36

REF

INSTRUCTION

DECAL - left, 5120, (See Figure 9-158)

1шт.

37

1531458C1

SEAL

- hood, left

1шт.

38

1531457C1

SEAL

- hood, right

1шт.

39

1531590C1

SUPPORT

BAR - seal retaining (If fitted)

2шт.

40

1531589C1

BAR

- seal retaining (If fitted)

2шт.

41

895-11006

WASHER,6.6mm ID x 12mm OD x 1.6mm Thk

14шт.

42

1533066C1

NUT

- cap, M6, Serial Range: -JJF1018633

14шт.

42

1534419C2

PLUG

CLIP, Start Serial: JJF1018634

4шт.

43

1968108C2

TRIM

TRIM - hood sight

1шт.

44

3402979R2

BAND

STRAP - cable tie (Use with 1531883C2)

1шт.

45

1531990C1

SEAL

STRIP - seal

2шт.

46

1533074C2

HANDLE

- (If fitted)

2шт.

47

825-1408

NUT,M8, Cl 8

4шт.

48

895-11008

WASHER,9mm ID x 16mm OD x 1.6mm Thk

- flat, 9 x 16 x 1.6 mm

4шт.

49

1533373C1

WASHER

- black, 8.5 mm

4шт.

50

3399422R3

GAS STRUT,225mm Extended, 165mm Compressed

STRUT - gas filled (Cab, S, Serial Range: JJF1016705-JJF1017200

1шт.

51

614-6020

BOLT,Hex, M6 x 1 x 20mm, Cl 8.8, Full Thd

- hex, full threads, 8 - 1.25 x 20 mm

1шт.

52

614-6025

BOLT,Hex, M6 x 1 x 25mm, Cl 8.8, Full Thd

- hex, full threads, 6 - 1.0 x 25 mm

1шт.

53

895-11006

WASHER,6.6mm ID x 12mm OD x 1.6mm Thk

- flat, 5.5 x 10 x 1 mm

4шт.

54

825-1406

NUT,M6, Cl 8

3шт.

Выбрано товаров: 50