Запчасти Case IH 5120 (9-056) - SIDE PANELS AND TOP SHEET, 5120/5220 (09) - CHASSIS/ATTACHMENTS

Схема запчастей Case IH 5120 - (9-056) - SIDE PANELS AND TOP SHEET, 5120/5220 (09) - CHASSIS/ATTACHMENTS
44
30
27
21
13
46
51
18
25
20
17
43
38
49
39
38
45
40
17
3
10
9
16
34
50
47
12
37
26
35
26
24
23
30
15
27
27
36
33
41
16
29
19
11
12
44
14
22
20
24
48
18
17
7
42
18
6
8
32
31
1
FIT
1:1
100%

Артикул

Название

Примечание

Количество

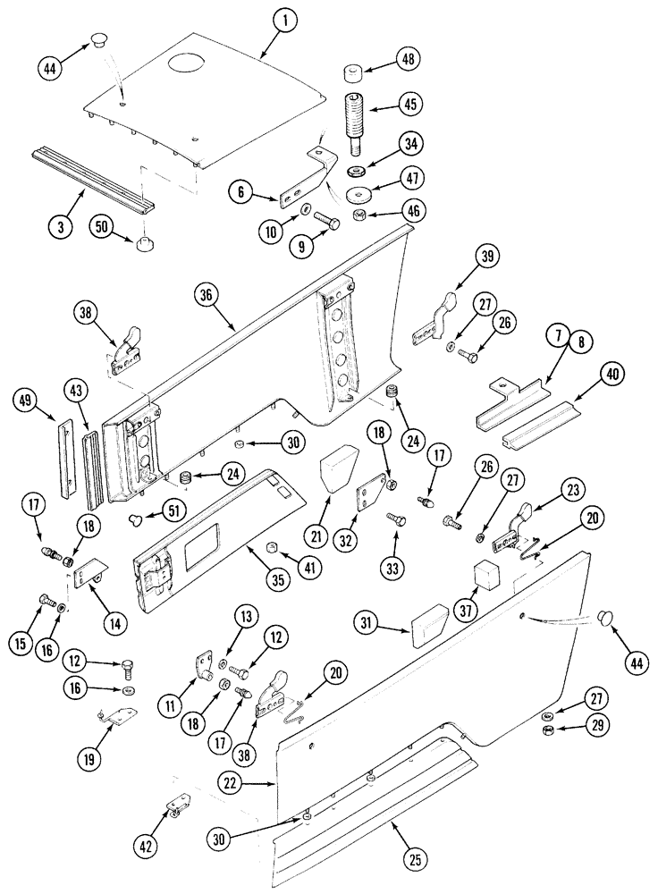
1

1532184C4

HOOD

SHEET - top, rear

1шт.

1

1533866C3

HOOD

SHEET - top, rear (Version with downswept exhaust)

1шт.

3

1531455C2

SEAL SHEET

- top sheet rear

1шт.

6

1532151C3

SUPPORT ASSY.

BRACKET - front, right

1шт.

7

1533977C2

HOLDER

BRACKET - left

1шт.

8

1534266C2

HOLDER

BRACKET - right

1шт.

9

614-10020

BOLT,Hex, M10 x 1.5 x 20mm, Cl 8.8, Full Thd

2шт.

10

934281R1

WASHER,M10.5 ID x 20 OD x 2 Thk

- plain, 10.5 mm

2шт.

11

1530887C2

SUPPORT

BRACKET -

1шт.

12

614-8020

BOLT,Hex, M8 x 1.25 x 20mm

- hex, full threads, 8 - 1.25 x 20 mm

2шт.

13

895-11008

WASHER,9mm ID x 16mm OD x 1.6mm Thk

- flat, 9 x 16 x 1.6 mm

2шт.

14

T102353

BRACKET

- left lock pin

1шт.

15

614-8016

BOLT,Hex, M8 x 1.25 x 16mm, Cl 8.8, Full Thd

- hex, full threads, 8 - 1.25 x 16 mm

6шт.

16

895-11008

WASHER,9mm ID x 16mm OD x 1.6mm Thk

- flat, 9 x 16 x 1.6 mm

8шт.

17

1333402C1

SCREW,M8 x 1.25 x 20mm

PIN - lock

4шт.

18

933618R1

THIN NUT,Thin, M8 x 1.25, Cl 04

4шт.

19

1531851C1

SUPPORT

- left

1шт.

20

T101855

SPRING

-

4шт.

21

1533885C2

SEAL

FOAM - side panel, left

1шт.

22

1534273C2

PANEL ASSY.

SHEET - side, right

1шт.

23

1531054C1

LOCK

- front, right

1шт.

24

1333276C1

GROMMET

-

4шт.

25

1533799C1

PANEL, SIDE

SCREEN - side, right

1шт.

26

628-6012

BOLT,Hex, M6 x 12mm, Cl 10.9, Full Thd

- hex, full threads, 6 - 1.0 x 12 mm, class 10.9

8шт.

27

895-11006

WASHER,6.6mm ID x 12mm OD x 1.6mm Thk

10шт.

29

825-1406

NUT,M6, Cl 8

6шт.

30

T101932

ROLLER

-

12шт.

31

1533886C2

SEAL

FOAM - side panel, right

1шт.

32

1533549C1

SUPPORT

BAR - front lock pin

2шт.

33

614-8016

BOLT,Hex, M8 x 1.25 x 16mm, Cl 8.8, Full Thd

- hex, full threads, 8 - 1.25 x 16 mm

4шт.

34

905866R1

THIN NUT,Thin, M12 x 1.75, Cl 04

- hex, 12 mm

4шт.

35

1531858C2

PANEL, SIDE

SCREEN - side, left

1шт.

36

1534274C2

PANEL ASSY.

SHEET - side, left

1шт.

37

1531472C2

SEAL

-

2шт.

38

1533001C1

LOCK

- rear

2шт.

39

1531055C1

LOCK

- front, left

1шт.

40

1534240C1

SEAL

SEAL - rubber, 220 mm

2шт.

41

825-1406

NUT,M6, Cl 8

6шт.

42

1531850C1

SUPPORT

- side screen, right

1шт.

43

1531459C2

SEAL

- side panel, rear

2шт.

44

1533203C1

PLUG

-

6шт.

45

1533693C3

SET SCREW,M8 x 45mm

SCREW - adjusting

4шт.

46

825-1408

NUT,M8, Cl 8

4шт.

47

1533100C2

WASHER

- flat, 6 mm

4шт.

48

1533218C1

RUBBER WASHER,10mm ID x 24mm OD x 12mm Thk

- rubber

4шт.

49

1533502C1

SUPPORT

- (Non - cab version)

2шт.

50

1534419C2

PLUG

CLIP -

6шт.

51

1533836C1

BUTTON

CLIP -

4шт.

Выбрано товаров: 48