Запчасти Case IH 5120 (2-32) - TURBOCHARGER SYSTEM, 5120/5220 TRACTOR, 4T-390 ENGINE (02) - ENGINE

Схема запчастей Case IH 5120 - (2-32) - TURBOCHARGER SYSTEM, 5120/5220 TRACTOR, 4T-390 ENGINE (02) - ENGINE
7
4
13
6
9
2
17
12
1
8
9
15
3
10
16
5
3
14
10
FIT
1:1
100%

Артикул

Название

Примечание

Количество

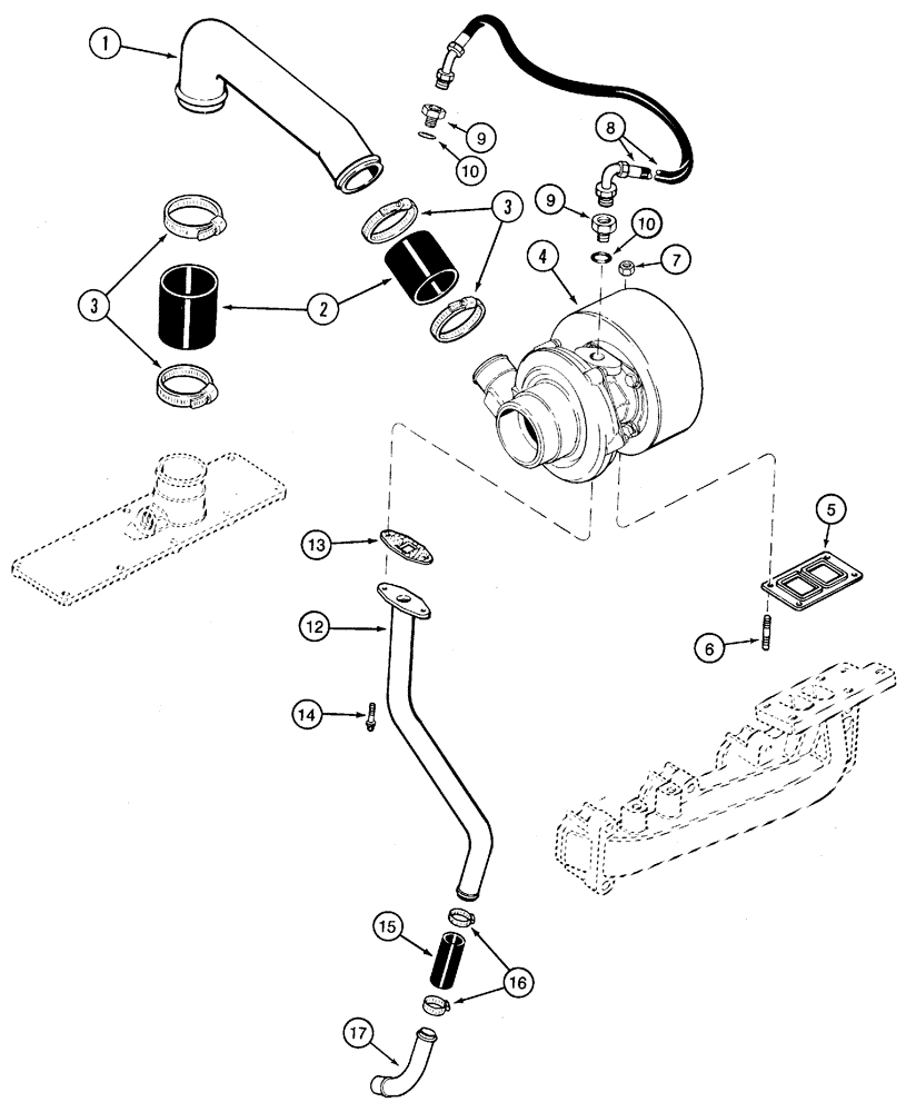
1

J906623

TUBE,2 mm OD x 299.8 mm L

crossover

1шт.

2

J916166

INTAKE AIR HOSE

HOSE, 2-3/4", 71 mm long

2шт.

3

214-1428

HOSE CLAMP,#28, 1.31" - 2.25", Type F Worm

CLAMP, HOSE, , Adjustable, Open #28, 1.31/2.25 Type F Worm

4шт.

4

REF

INSTRUCTION

TURBOCHARGER ASSY. engine, see Figure: 2 - 36

1шт.

5

J901356

GASKET,0.5mm Thk

, Serial Range: turbocharger-manifold

1шт.

6

J818823

STUD

turbocharger mounting, M10 x 40

4шт.

7

J818824

FLANGE NUT

hex flange, special, 10 mm - 1.5

4шт.

8

A77699

HOSE

oil supply, turbo

1шт.

9

J919687

HYD CONNECTOR

ADAPTER female hex, special, Includes: Ref. 10

2шт.

10

238-5013

O-RING,0.07" Thk x 0.426" ID, -13, Cl 5, 75 Duro

-013, 70 Duro, .426" ID x .070" Thk

1шт.

12

J903740

TUBE

turbocharger oil drain

1шт.

13

J931350

GASKET

turbo oil drain tube

1шт.

14

845-8020

BOLT,Hvy Hex, M8 x 20mm, Cl 8.8

- heavy hex flange, 8 - 1.25 x 20 mm

2шт.

15

J903745

LARGE HOSE

HOSE, 3" 76 mm long

1шт.

16

214-1416

HOSE CLAMP,#16, 0.81" - 1.5", Type F Worm

CLAMP, HOSE, , Adj., Open #16, 0.81/1.50 Type F Worm

2шт.

17

J903744

PIPE FITTING,22.42 mm ID x 28 mm OD x 90.2, 64 mm L

TUBE turbocharger oil drain

1шт.

Выбрано товаров: 16