Запчасти Case IH 5120 (2-34) - TURBOCHARGER SYSTEM, 5120 TRACTOR, 4TA-390 ENGINE (02) - ENGINE

Схема запчастей Case IH 5120 - (2-34) - TURBOCHARGER SYSTEM, 5120 TRACTOR, 4TA-390 ENGINE (02) - ENGINE
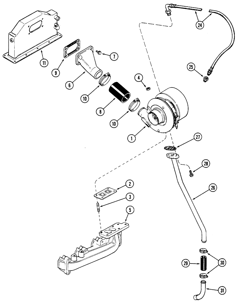
10
3
31
6
5
11
28
2
26
30
27
9
10
7
24
8
25
29
1
4
FIT
1:1
100%

Артикул

Название

Примечание

Количество

1

REF

INSTRUCTION

TURBOCHARGER ASSY. engine, see Figure: 2 - 36

1шт.

2

J901356

GASKET,0.5mm Thk

, Serial Range: turbocharger-manifold

1шт.

3

J905417

STUD

turbocharger mounting

4шт.

4

J901961

NUT

hex, special, 10 mm - 1.25

4шт.

5

REF

INSTRUCTION

MANIFOLD exhaust, see Figure: 2 - 30

1шт.

6

J906918

CONNECTION

air crossover, if equipped

1шт.

7

845-8025

BOLT,Hex Flg, M8 x 25mm, Cl 8.8

- heavy hex flange, 8 - 1.25 x 25 mm

4шт.

8

J916167

HOSE

Plain, if Equipped

1шт.

9

J914856

GASKET,1.02mm Thk

air crossover connection

1шт.

10

214-1428

HOSE CLAMP,#28, 1.31" - 2.25", Type F Worm

CLAMP, HOSE, , Adjustable, Open #28, 1.31/2.25 Type F Worm

2шт.

11

REF

INSTRUCTION

AFTERCOOLER intake, see Figure: 2 - 30, Serial Range: -JJF1005063

1шт.

24

A77699

HOSE

oil supply, turbo

1шт.

25

J919687

HYD CONNECTOR

ADAPTER female hex, special, Includes: Ref. P/N 238-5013

1шт.

238-5013

O-RING,0.07" Thk x 0.426" ID, -13, Cl 5, 75 Duro

-013, 70 Duro, .426" ID x .070" Thk, Not illustrated

1шт.

26

J903740

TUBE

turbocharger oil drain

1шт.

27

J931350

GASKET

turbo oil drain tube

1шт.

28

845-8020

BOLT,Hvy Hex, M8 x 20mm, Cl 8.8

- heavy hex flange, 8 - 1.25 x 20 mm

2шт.

29

J903745

LARGE HOSE

HOSE, 3", 76 mm long

1шт.

30

214-1416

HOSE CLAMP,#16, 0.81" - 1.5", Type F Worm

CLAMP, HOSE, , Adj., Open #16, 0.81/1.50 Type F Worm

2шт.

31

J903744

PIPE FITTING,22.42 mm ID x 28 mm OD x 90.2, 64 mm L

TUBE turbocharger oil drain

1шт.

Выбрано товаров: 0