Запчасти Case IH 5120 (5-24) - FRONT AXLE, MFD (05) - STEERING

Схема запчастей Case IH 5120 - (5-24) - FRONT AXLE, MFD (05) - STEERING
8
17
11
8
7
1
7
2
6
4
19
5
20
19
11
16
10
3
9
20
14
12
8
18
10
13
15
8
FIT
1:1
100%

Артикул

Название

Примечание

Количество

1

REF

INSTRUCTION

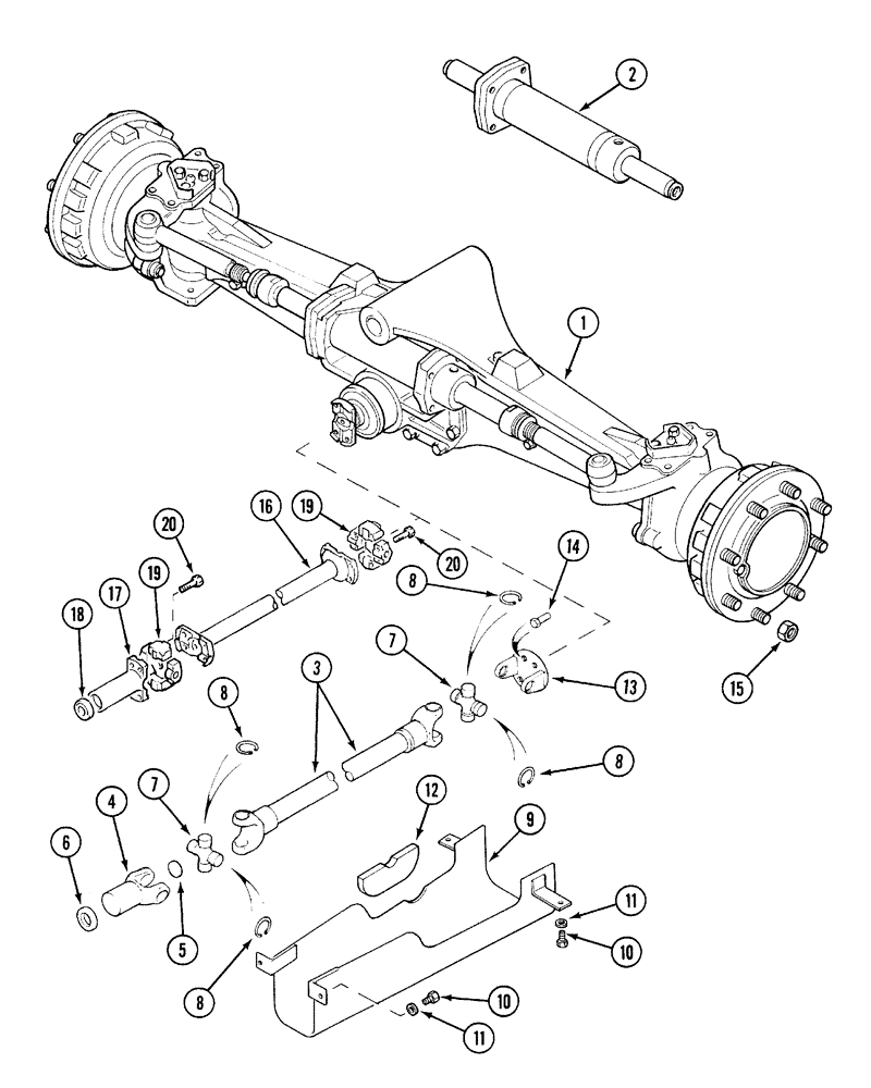
AXLE - assembly, MFD (See Figures 5-26 - 5-38), Includes: Ref. 2

1шт.

2

REF

INSTRUCTION

CYLINDER - assembly, steering (See Figure 5-28)

1шт.

3

194279A1

DRIVE SHAFT

SHAFT - drive, ELSO (Optional to 1530950C1), 28 inch

1шт.

194276A1

YOKE

- assembly, slip, joint, Includes: Ref. 4 - 6 ELSO

1шт.

4

194277A1

YOKE

- slip joint, Includes: Ref. 5, 6 ELSO

1шт.

5

1530948C1

PLUG

CAP - slip joint ELSO

1шт.

6

1530941C1

OIL SEAL

SEAL - slip yoke ELSO

1шт.

3

1530950C1

DRIVE SHAFT

SHAFT - drive, D.B.M (Optional to 194279A1), 28 inch D.B.M., Start Serial: JJF1019807

1шт.

1530944C1

YOKE

- assembly, slip joint, Includes: Ref. 4 - 6 D.B.M.

1шт.

4

NSS

NOT SOLD SEPARAT

YOKE - slip joint, Includes: Ref. 5, 6 D.B.M.

1шт.

5

1530948C1

PLUG

CAP - slip joint D.B.M.

1шт.

6

1530941C1

OIL SEAL

SEAL - slip yoke D.B.M.

1шт.

7

194274A1

U-JOINT SPIDER

CROSS - assembly, Includes: Ref. 8 D.B.M.

2шт.

8

1530949C1

CIRCLIP

RING - snap D.B.M.

8шт.

9

T104287

GUARD

- assembly, MFD shaft D.B.M., Replace P/N T104290

1шт.

10

614-8016

BOLT,Hex, M8 x 1.25 x 16mm, Cl 8.8, Full Thd

- hex, full threads, 8 - 1.25 x 16 mm D.B.M.

4шт.

11

895-11008

WASHER,9mm ID x 16mm OD x 1.6mm Thk

- flat, 9 x 16 x 1.6 mm D.B.M.

4шт.

12

1531988C2

RUBBER SEAL

SEAL - rubber, engine oil drain protection D.B.M.

1шт.

13

1530945C1

YOKE

- slip joint D.B.M.

1шт.

14

627-8020

BOLT,Hex, M8 x 1.25 x 20mm, Cl 10.9, Full Thd

- hex, full threads, 8 - 1.25 x 20 mm, class 10.9, D.B.M.

4шт.

15

98783C1

WHEEL NUT,Wheel, Flg, M20 x 1.5

D.B.M. Wheel, Flg, M20 x 1.5

16шт.

16

1981179C1

SHAFT ASSY.

SHAFT - drive, Rockford, 18 inch, Serial Range: -JJF1019806

1шт.

17

1981152C1

YOKE

- assembly, Includes: Ref. 18, rockford

1шт.

18

1981181C1

SEAL

- slip yoke, rockford

1шт.

19

1981084C1

SPIDER ,U-JOINT

CROSS - assembly, rockford

2шт.

20

827-8040

BOLT,Hex, M8 x 1.25 x 40mm, Cl 10.9

Rockford Hex, M8 x 40, 10.9

16шт.

Выбрано товаров: 26