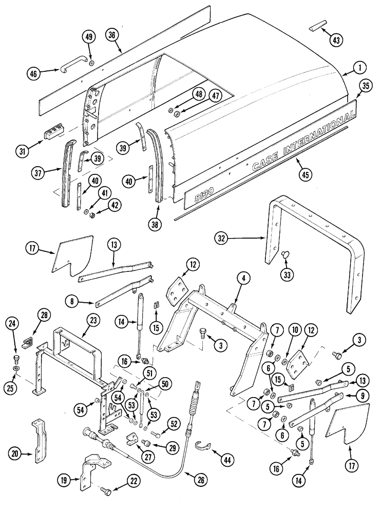
Запчасти Case IH 5130 (9-046) - HOOD SHEET AND RELATED PARTS, 5130 (09) - CHASSIS/ATTACHMENTS

Схема запчастей Case IH 5130 - (9-046) - HOOD SHEET AND RELATED PARTS, 5130 (09) - CHASSIS/ATTACHMENTS
51
26
31
39
15
13
47
5
44
50
16
54
41
37
40
45
54
1
42
33
12
52
48
15
38
13
28
40
19
17
23
17
4
24
27
5
16
12
46
9
7
39
29
14
53
32
43
20
7
53
8
14
22
5
3
6
36
25
6
3
35
10
49
7
FIT
1:1
100%

Артикул

Название

Примечание

Количество

1

1531419C6

HOOD ASSY.

HOOD - assembly

1шт.

3

614-10030

BOLT,Hex, M10 x 1.5 x 30mm, Cl 8.8, Full Thd

Full Thd Hex, M10 x 30, 8.8

8шт.

4

1533982C2

SUPPORT ASSY.

BRACKET - front (JJF1019254 - )

1шт.

4

T104166

HOLDER

BRACKET - front ( - JJF1019253)

1шт.

5

T101162

BUSHING,10mm ID x 15mm OD x 10mm L

-

8шт.

6

934674R1

WASHER,M10.5 x 30 x 2.5

- flat, 10.5 x 30 x 2.5 mm

8шт.

7

934819R1

LOCK NUT,M10 x 1.5, Thin

NUT, LOCK, M10 x 1.5, Thin

8шт.

8

1533920C1

SUPPORT ASSY.

BRACKET - hood, left lower

1шт.

9

1533921C1

SUPPORT ASSY.

BRACKET - hood, right lower

1шт.

10

T101163

WASHER

-

4шт.

12

1534264C1

PLATE

- front

2шт.

13

T103240

BRACKET

- hood, upper

2шт.

14

1531490C1

GAS STRUT

STRUT - gas

2шт.

15

T101806

RING

- retaining

2шт.

16

1531344C1

PIN

BALL - stud

2шт.

17

T103238

SHROUD

- hood

2шт.

19

T104560

BRACKET

- frame, right

1шт.

20

T104559

HOLDER

BRACKET - frame, left

1шт.

22

614-10035

BOLT,Hex, M10 x 1.5 x 35mm, Cl 8.8, Full Thd

- hex, full threads, 10 - 1.5 x 35 mm

4шт.

23

1533154C2

FRAME ASSY

FRAME - assembly, rear (Cab - JJF1016704 / ROPS - JJF1017199)

1шт.

23

1534285C4

FRAME ASSY

FRAME - assembly, rear (Cab JJF1016705 - / ROPS JJF1017200 - )

1шт.

24

614-10025

BOLT,Hex, M10 x 1.5 x 25mm, Cl 8.8

4шт.

25

934281R1

WASHER,M10.5 ID x 20 OD x 2 Thk

- plain, 10.5 mm

4шт.

26

1531883C2

BOWDEN CONTROL,1878mm L

CABLE - assembly (Cab - JJF1016704 / ROPS - JJF1017199)

1шт.

27

T104556

GUIDE

- right

1шт.

28

T104555

GUIDE

- left

1шт.

29

614-6016

BOLT,Hex, M6 x 1 x 16mm, Cl 8.8, Full Thd

4шт.

31

T104443

TROUGH

GRIP - recessed (If fitted)

2шт.

32

1533700C3

SEAL

- hood

1шт.

33

1533974C1

CLIP,ELECTRICAL

CLIP - hood

8шт.

35

REF

INSTRUCTION

DECAL - right, 5130, (See Figure 9-162)

1шт.

36

REF

INSTRUCTION

DECAL - left, 5130, (See Figure 9-162)

1шт.

37

1531458C1

SEAL

- hood, left

1шт.

38

1531457C1

SEAL

- hood, right

1шт.

39

1531590C1

SUPPORT

BAR - seal retaining (If fitted)

2шт.

40

1531589C1

BAR

- seal retaining

2шт.

41

895-11006

WASHER,6.6mm ID x 12mm OD x 1.6mm Thk

( - JJF1018633) M6

14шт.

42

1533066C1

NUT

- cap, M6 ( - JJF1018633)

14шт.

42

1534419C2

PLUG

CLIP - (JJF1018634 - )

14шт.

43

1968108C2

TRIM

TRIM - hood sight

1шт.

44

3402979R2

BAND

STRAP - cable tie

1шт.

45

1531989C1

RUBBER SEAL

STRIP - seal, 1486 mm

2шт.

46

1533076C2

HANDLE

- (If fitted)

2шт.

47

825-1408

NUT,M8, Cl 8

(If fitted) M8, Cl 8

4шт.

48

895-11008

WASHER,9mm ID x 16mm OD x 1.6mm Thk

- flat, 9 x 16 x 1.6 mm (If fitted)

4шт.

49

1533373C1

WASHER

- black, 8.5 mm (If fitted)

4шт.

50

3399422R3

GAS STRUT,225mm Extended, 165mm Compressed

STRUT - gas filled (Cab JJF1016705 - / ROPS JJF1017200 - )

1шт.

51

614-8020

BOLT,Hex, M8 x 1.25 x 20mm

- hex, full threads, 8 - 1.25 x 20 mm

1шт.

52

614-8025

BOLT,Hex, M8 x 1.25 x 25mm, Cl 8.8, Full Thd

- hex, full threads, 8 - 1.25 x 25 mm

1шт.

53

895-11005

WASHER,5.5mm ID x 10mm OD x 1mm Thk

4шт.

54

825-1406

NUT,M6, Cl 8

3шт.

Выбрано товаров: 0