Запчасти Case IH 5150 (6-052) - REAR AXLE (06) - POWER TRAIN

Схема запчастей Case IH 5150 - (6-052) - REAR AXLE (06) - POWER TRAIN
24
3
2
19
18
28
9
15
11
14
10
23
8
5
4
22
13
20
12
1
16
26
17
25
27
7
6
21
29
FIT
1:1
100%

Артикул

Название

Примечание

Количество

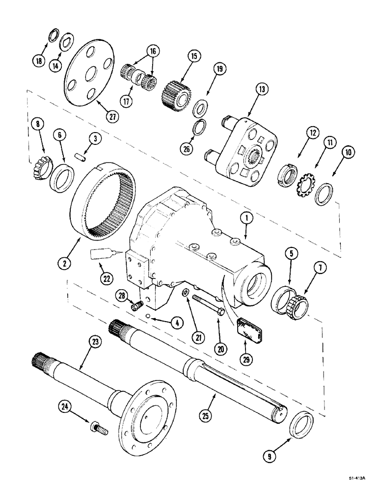
1

1345971C1

AXLE CARRIER

HOUSING ASSY., 60003 Right Includes: 2, 3, 4

1шт.

1

1345972C1

AXLE CARRIER

HOUSING ASSY., 60003 With Gear Left Includes: 2, 3, 4

1шт.

2

NSS

NOT SOLD SEPARAT

GEAR

1шт.

3

NSS

NOT SOLD SEPARAT

PIN cross

3шт.

4

211-209

BALL

11/32; 24,CRS

1шт.

5

ST897

BEARING CUP,122.24mm OD x 29.72mm W

CUP

1шт.

6

ST897

BEARING CUP,122.24mm OD x 29.72mm W

CUP

1шт.

7

ST2104

BEARING ASSY

CONE ASSY.

2шт.

8

89361H

TAPERED BEARING,80.97mm ID x 29.68mm W

CONE ASSY.

2шт.

9

A188117

OIL SEAL,91.99mm ID x 136.78mm OD x 17.55mm Thk

2шт.

10

A183139

WASHER, THRUST

2шт.

11

192-367

LOCK WASHER,Type TW-116

2шт.

12

131-1067

BEARING LOCK NUT,Bearing, 3.1496" Bore

2шт.

13

123267A1

PINION CARRIER

GEAR CARRIER 63123, Start Serial: JJF1030000

2шт.

13

A190065

PINION CARRIER

GEAR CARRIER 63123, Serial Range: -JJF1029999

2шт.

14

A188449

WASHER, THRUST

8шт.

15

A188434

GEAR, PLANETARY

GEAR, PLANET 30T

8шт.

16

A183104

NEEDLE ROLLER,Needle, 6.35mm OD x 25.15mm L

BEARING roller

448шт.

17

A188445

SEPARATOR

8шт.

18

100-16193

SNAP RING,#193, Ext

63123 Trans No.: - JKA96025

8шт.

18

100-16200

SNAP RING,#200, Ext

63123 Trans No. JKA96026 -

8шт.

19

A186999

WASHER, THRUST

8шт.

20

828-16150

BOLT,Hex, M16 x 2 x 150mm, Cl 10.9

24шт.

21

196-25

WASHER,21/32" x 1 5/16" x .188", HDN

24шт.

22

B500621

LOCTITE

324

1шт.

23

1341256C4

SHAFT ASSY.

63111 Includes: 24

2шт.

24

192708A1

STUD

M20 x 40; 10.9

8шт.

25

1341253C3

SHAFT

ASSY., 96 in, 63111 Not For Germany

2шт.

26

101-11287

SNAP RING,#287, 2.713, Ext

snap

2шт.

27

A188448

SHIELD

2шт.

28

1335813C3

VALVE

solenoid

2шт.

29

133597A1

REFLECTOR

62525 Square, Start Serial: JJF1036308

2шт.

29

1531018C1

REFLECTOR

62525 Round, Serial Range: -JJF1036307

2шт.

Выбрано товаров: 33