Запчасти Case IH 5150 (2-002) - RADIATOR AND CONNECTIONS (02) - ENGINE

Схема запчастей Case IH 5150 - (2-002) - RADIATOR AND CONNECTIONS (02) - ENGINE
20
26
12
23
25
19
13
4
40
19
17
3
35
36
18
37
5
32
41
27
39
24
11
38
6
15
21
2
33
8
1
16
20
28
22
14
7
35
9
10
34
4
24
FIT
1:1
100%

Артикул

Название

Примечание

Количество

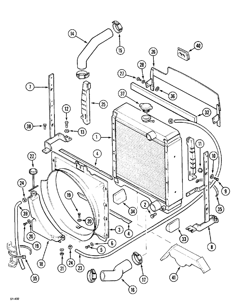
1

104753A1

RADIATOR

20311 Includes : 2

1шт.

2

217-86

PLUG,Hex Hd, 1/4"-18, Brass

1шт.

3

A189115

SHROUD

20313 Version With Air Compressor

1шт.

3

A173459

SHROUD

1шт.

4

A173165

SEALING STRIP

2шт.

5

614-8016

BOLT,Hex, M8 x 1.25 x 16mm, Cl 8.8, Full Thd

7шт.

6

895-15008

WASHER,9mm ID x 20mm OD x 1.6mm Thk

7шт.

7

1531329C1

SUPPORT

1шт.

8

1531328C1

SUPPORT

1шт.

9

614-10030

BOLT,Hex, M10 x 1.5 x 30mm, Cl 8.8, Full Thd

4шт.

10

895-11010

WASHER,11mm ID x 20mm OD x 2mm Thk

4шт.

11

T100568

RUBBER

MOUNTING

4шт.

12

614-10030

BOLT,Hex, M10 x 1.5 x 30mm, Cl 8.8, Full Thd

2шт.

13

934674R1

WASHER,M10.5 x 30 x 2.5

2шт.

14

T103198

RADIATOR HOSE,45.00 mm ID x 300.00 mm, SAE J20,SAE 20R4 CLASS D1

20311 Inlet

1шт.

15

214-1428

HOSE CLAMP,#28, 1.31" - 2.25", Type F Worm

2шт.

16

T103197

RADIATOR HOSE,58.00 mm ID x 250.00 mm, SAE J20,SAE 20R4 CLASS D1

20311 Outlet

1шт.

17

214-1440

HOSE CLAMP,#40, 2.06" - 3", Type F Worm

2шт.

18

A189107

RESERVOIR

1шт.

19

614-8020

BOLT,Hex, M8 x 1.25 x 20mm

2шт.

20

895-15008

WASHER,9mm ID x 20mm OD x 1.6mm Thk

3шт.

21

825-1408

NUT,M8, Cl 8

1шт.

22

1547924C1

CAP

1шт.

23

A189144

HOSE,8.30 mm ID x 1050.00 mm

1шт.

24

A171099

HOSE CLAMP,13.2mm - 15.4mm

3шт.

25

1533890C2

SEALING STRIP

TRIM

2шт.

26

1531616C2

PLATE ASSY.

1шт.

26

1530610C2

PLATE ASSY.

1шт.

27

614-8016

BOLT,Hex, M8 x 1.25 x 16mm, Cl 8.8, Full Thd

4шт.

28

895-11008

WASHER,9mm ID x 16mm OD x 1.6mm Thk

4шт.

32

1533889C2

SEALING STRIP

542 x 20 mm

1шт.

33

1533887C1

FOAM INSULATION

20311 Right

1шт.

34

1533888C1

SEAL

20311 Left

1шт.

35

3148767R2

COLLAR CLAMP

STRAP CABLE 197 mm

2шт.

36

905920R1

SHIM,M9 ID x 15 OD x .5 Thk

adjusting

1шт.

37

A170241

RADIATOR CAP

Filler, 15 psi

1шт.

38

854-10030

BOLT,Hvy Hex, M10 x 30mm, Cl 10.9

2шт.

39

1998841C1

HOSE

660 mm (26 in)

1шт.

40

1530635C1

GASKET

20311 5150

1шт.

41

1530829C2

FOAM

20311 Foam 5150

1шт.

41

1533978C2

FOAM

20311 Foam Front P.T.O.

1шт.

Выбрано товаров: 0