Запчасти Case IH 5150 (6-132) - FRONT P.T.O., HEAVY DUTY (06) - POWER TRAIN

Схема запчастей Case IH 5150 - (6-132) - FRONT P.T.O., HEAVY DUTY (06) - POWER TRAIN
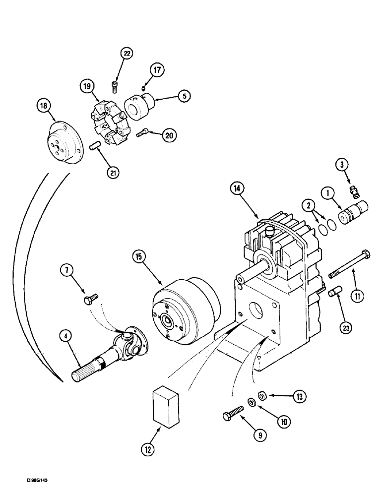
18
14
9
19
20
5
1
15
3
4
22
11
7
12
13
21
23
2
10
17
FIT
1:1
100%

Артикул

Название

Примечание

Количество

1

1533973C1

FITTING

ASSY., 60003 Consists Of: 2, 3

2шт.

2

134932A1

O-RING

2шт.

3

134934A1

UNION

1шт.

282328A1

SHAFT ASSY.

60003 Consists Of: 4, 5

1шт.

4

NSS

NOT SOLD SEPARAT

SHAFT

1шт.

5

NSS

NOT SOLD SEPARAT

HUB

1шт.

6

J903857

BOLT,Hex, M12 x 1.25 x 36mm

M12 x 36

4шт.

7

514-628

BOLT,Hex, M8 x 1.25 x 16mm, Cl 12.9, Full Thd

M8 x 16; 12.9

4шт.

9

614-16050

BOLT,Hex, M16 x 2 x 50mm, Cl 8.8, Full Thd

2шт.

10

896-12016

WASHER,17.5mm ID x 30mm OD x 4mm Thk

2шт.

11

813-16210

BOLT,Hex, M16 x 2 x 210mm, Cl 8.8

M16 x 210

2шт.

12

1533979C1

FOAM

60003 Adhesive

1шт.

14

REF

INSTRUCTION

TRANSMISSION, 60003 See Figure: 6-134

1шт.

15

REF

INSTRUCTION

CLUTCH, 60003 See Figure: 6-136

1шт.

17

A52236

LUBE NIPPLE,M8 x 1

1шт.

220761A1

ADAPTER

60003 Consists Of: 18-21

1шт.

18

220763A1

ADAPTER

1шт.

19

220765A1

DISC

friction

1шт.

20

864-14040

HEX SOC SCREW,M14 x 40mm, Cl 8.8

M14 x 40

4шт.

21

932296R1

LOCK PIN,M5 x 12, Slotted

4шт.

22

864-14040

HEX SOC SCREW,M14 x 40mm, Cl 8.8

M14 x 40

4шт.

23

3054841R2

TUBE

COVER

1шт.

Выбрано товаров: 22