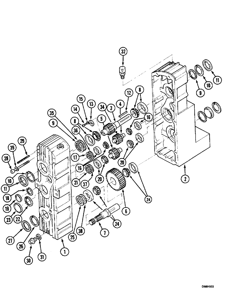
Запчасти Case IH 5150 (6-134) - FRONT P.T.O. TRANSMISSION, (WIRTZ) (06) - POWER TRAIN

Схема запчастей Case IH 5150 - (6-134) - FRONT P.T.O. TRANSMISSION, (WIRTZ) (06) - POWER TRAIN
20
14
9
3
16
32
23
6
21
24
22
5
7
1
9
19
20
35
34
15
12
4
31
16
36
8
8
10
24
18
11
13
25
38
10
17
28
37
29
26
30
27
11
2
39
FIT
1:1
100%

Артикул

Название

Примечание

Количество

221460A1

PTO

POWER TAKE OFF TRANSMISSION, 60003 Heavy Duty Consists Of: 1-39

1шт.

1534488C2

PTO

POWER TAKE OFF TRANSMISSION ASSY., 60003 Consists Of: 1-39

1шт.

1

134030A1

HOUSING

1шт.

2

134031A1

HOUSING

1шт.

3

134032A1

DRIVE SHAFT

1шт.

4

134033A1

PINION

GEAR 17T

1шт.

5

134034A1

PINION

GEAR 17T

1шт.

6

134035A1

PINION

GEAR 32T

1шт.

7

134036A1

SHAFT ASSY.

60003 6 Splines

1шт.

7

B507042

SHAFT ASSY.

60003 21 Splines

1шт.

8

134037A1

BEARING, ROLLER

2шт.

9

134038A1

SHIM

adjusting

2шт.

10

134039A1

CIRCLIP

retaining

2шт.

11

134040A1

SEALING RING

2шт.

12

134041A1

BUCKET TOOTH KEY

1шт.

13

134042A1

WASHER

1шт.

14

864-5016

HEX SOC SCREW,M5 x 16mm, Cl 8.8

4шт.

15

892-14005

LOCK WASHER,M5

spring M5

4шт.

16

134043A1

BEARING, ROLLER

2шт.

17

134044A1

WASHER

1шт.

18

134045A1

CIRCLIP

retaining

1шт.

19

134046A1

PLUG

1шт.

20

134047A1

BEARING, ROLLER

2шт.

21

134048A1

BLOCK

SHIM adjusting

1шт.

22

134049A1

CIRCLIP

retaining

1шт.

23

134050A1

PLUG

1шт.

24

134051A1

BEARING, ROLLER

2шт.

25

134052A1

WASHER

1шт.

26

134053A1

CIRCLIP

retaining

1шт.

27

134054A1

SEALING RING

2шт.

28

864-10080

HEX SOC SCREW,M10 x 80mm, Cl 8.8

12шт.

29

838-51040

LOCK PIN,M10 x 40, Slotted

2шт.

30

134055A1

PLUG

2шт.

31

134056A1

COPPER WASHER

3шт.

32

134057A1

BREATHER

1шт.

34

134033A1

PINION

GEAR 17T

1шт.

35

134059A1

SHIM

adjusting

1шт.

36

134060A1

SHIM

adjusting

1шт.

37

134061A1

SHIM

adjusting

1шт.

38

134062A1

SHIM

adjusting

1шт.

39

892-11010

LOCK WASHER,M10

12шт.

Выбрано товаров: 41