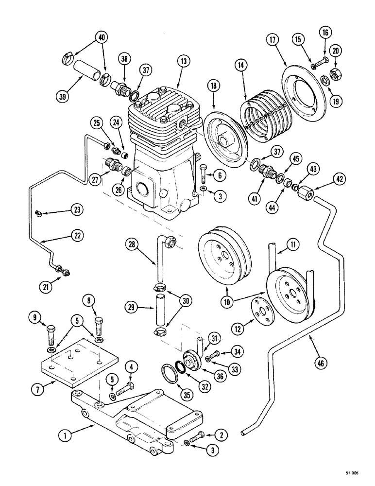
Запчасти Case IH 5150 (7-22) - TRAILER BRAKE - PNEUMATIC COMPRESSOR MOUNTING (07) - BRAKES

Схема запчастей Case IH 5150 - (7-22) - TRAILER BRAKE - PNEUMATIC COMPRESSOR MOUNTING (07) - BRAKES
8
23
37
42
15
38
40
25
20
3
35
1
18
46
6
45
39
41
36
5
2
9
13
22
37
12
32
26
21
27
17
5
28
44
43
30
4
29
34
11
3
7
24
19
16
31
10
14
33
FIT
1:1
100%

Артикул

Название

Примечание

Количество

1

A184826

BRACKET

1шт.

2

828-8035

BOLT,Hex, M8 x 1.25 x 35mm, Cl 10.9

2шт.

3

896-12008

WASHER,8.8mm ID x 17.5mm OD x 2mm Thk

9 x 17 x 2 mm

6шт.

4

814-10040

BOLT,Hex, M10 x 1.5 x 40mm, Cl 8.8

1шт.

5

896-12010

WASHER,11mm ID x 21mm OD x 2.5mm Thk

11 x 21 x 2.5 mm

6шт.

6

828-8040

BOLT,Hex, M8 x 1.25 x 40mm, Cl 10.9

M8 x 40; 10.9

4шт.

7

A184857

PLATE

1шт.

8

614-10030

BOLT,Hex, M10 x 1.5 x 30mm, Cl 8.8, Full Thd

2шт.

9

614-10030

BOLT,Hex, M10 x 1.5 x 30mm, Cl 8.8, Full Thd

3шт.

10

A189155

PULLEY

71033 Without Air Conditioning, 5120, 5130 (- Maxxum Pro)

1шт.

10

A189155

PULLEY

71033 Without Air Conditioning, 5120 (Maxxum Pro - )

1шт.

10

A184595

PULLEY

71033 Without Air Conditioning, 5130, 5140, 5150 (Maxxum Pro - )

1шт.

10

A184595

PULLEY

71033 Without Air Conditioning, 5140, 5150 ( - Maxxum Pro)

1шт.

10

A184536

PULLEY

71033 With Air Conditioning, 5120, 5130 ( - Maxxum Pro)

1шт.

10

A184536

PULLEY

71033 With Air Conditioning, 5120 (Maxxum Pro - )

1шт.

10

A184573

PULLEY

71033 With Air Conditioning, 5130, 5140, 5150 (Maxxum Pro - )

1шт.

10

A184573

PULLEY

71033 With Air Conditioning. 5140, 5150 ( - Maxxum Pro)

1шт.

11

D136236

BELT,12.70 mm W x 851.00 mm L

71033, 5120, 5130, Maxxum Pro

1шт.

11

D136236

BELT,12.70 mm W x 851.00 mm L

71033, 5120, Maxxum Pro

1шт.

11

84811C1

V-BELT,0.50" W

71033, 5130, 5140, 5150, Maxxum Pro

1шт.

11

84811C1

V-BELT,0.50" W

71033, 5140, 5150, Maxxum Pro

1шт.

12

A189162

SPACER

SHIM adjusting, 71033 Without Air Conditioning, 5120, 5130 ( - Maxxum Pro)

1шт.

12

A189162

SPACER

SHIM adjusting, 71033 Without Air Conditioning, 5120 (Maxxum Pro - )

1шт.

12

A184580

SHIM,2.77mm Thk

Adjusting, 71033 Without Air Conditioning, 5130, 5140, 5150 (Maxxum Pro - )

1шт.

12

A184580

SHIM,2.77mm Thk

Adjusting, 71033 Without Air Conditioning, 5140, 5150 ( - Maxxum Pro)

1шт.

13

1533327C1

COMPRESSOR

1шт.

B506170

SPARE PART SET

repair, 71033 Seals For : 1533327C1

1шт.

3228651R91

PULLEY ASSY.

71033 Consists Of: 14-18

1шт.

14

897499H1

SHIM,88mm ID x 117.9mm OD x 1mm Thk

SHIM adjusting

6шт.

15

492-11031

LOCK WASHER,5/16"

4шт.

16

713237R1

BOLT

4шт.

17

897498H1

PULLEY

1шт.

18

3228652R1

PULLEY

1шт.

19

92-11075

LOCK WASHER,3/4"

1шт.

20

933678R1

THIN NUT,Thin, M18 x 1.5, Cl 04

1шт.

21

T103888

HYD CONNECTOR

union

1шт.

22

1534735C1

PIPE

1шт.

23

3223090R1

CLAMP

2шт.

24

718743R1

SEALING RING,M10 x 16 x 1

1шт.

25

3216696R1

HYD CONNECTOR,M10 x 1

1шт.

26

E135040

SEALING WASHER,M22 x 27 x 1.5

1шт.

27

905864R1

HYD CONNECTOR,M22 x 1.5 x M24 x 1.5

union

1шт.

28

1533254C1

ELBOW

1шт.

29

3230041R1

HOSE

1шт.

30

1954736C1

HOSE CLAMP,#24

2шт.

31

1533695C1

ELBOW

1шт.

32

J915800

SEAL,Square, 1.68mm Thk x 25.12mm ID, -22

SEALRING

1шт.

33

T103887

WASHER

2шт.

34

614-6012

BOLT,Hex, M6 x 1 x 12mm, Cl 8.8, Full Thd

2шт.

35

J903475

SEALING RING,72.39mm ID x 90.39mm OD x 9mm Thk

1шт.

36

J918215

ADAPTER

COVER

1шт.

37

933608R1

SEALING RING,M26 x 31 x 2

2шт.

38

897502H1

ADAPTER

1шт.

39

905904R1

HOSE

71043, 5120

1шт.

39

905892R1

HOSE

71043, 5130, 5140, 5150

1шт.

40

897504H1

CLAMP

2шт.

3230401R91

UNION

71043 Consists Of: 41-45

1шт.

41

905705R1

UNION

1шт.

42

3215240R1

TUBE NUT,Coupling, M22 x 1.5

1шт.

43

3143334R1

OLIVE

SLEEVE

1шт.

44

3215241R1

THRUST RING

SLEEVE

1шт.

45

3402992R1

SEALING RING

SEALRING

1шт.

46

T103893

PRESSURE PIPE

71043, 5120

1шт.

46

T103894

PRESSURE PIPE

71043, 5130, 5140, 5150

1шт.

Выбрано товаров: 64