Запчасти Case IH 5150 (9C-08) - HOOD SHEETS (09) - CHASSIS/ATTACHMENTS

Схема запчастей Case IH 5150 - (9C-08) - HOOD SHEETS (09) - CHASSIS/ATTACHMENTS
14
16
25
38
47
12
45
43
3
7
26
8
5
54
42
13
52
53
23
54
17
6
22
17
40
12
15
20
44
33
51
36
7
32
9
48
1
10
16
4
29
6
19
3
24
14
50
28
5
27
37
53
39
35
13
54
15
46
FIT
1:1
100%

Артикул

Название

Примечание

Количество

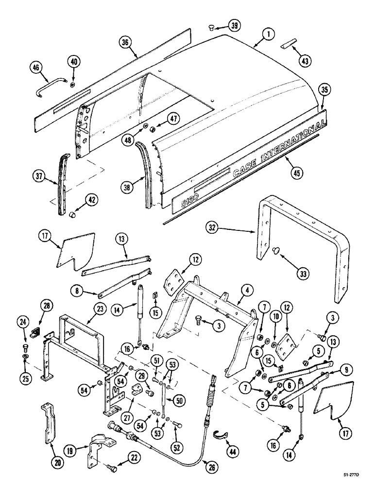
1

1531418C6

HOOD ASSY.

SHEET, 90131, 5120

1шт.

1

1531419C6

HOOD ASSY.

SHEET, 90131, 5130, 5140, 5150

1шт.

3

614-10030

BOLT,Hex, M10 x 1.5 x 30mm, Cl 8.8, Full Thd

8шт.

4

1533982C2

SUPPORT ASSY.

90131, Start Serial: JJF1019254

1шт.

4

T104166

HOLDER

BRACKET, 90131, Serial Range: -JJF1019253

1шт.

5

T101162

BUSHING,10mm ID x 15mm OD x 10mm L

8шт.

6

934674R1

WASHER,M10.5 x 30 x 2.5

10.5 x 30 x 2.5 mm

8шт.

7

934819R1

LOCK NUT,M10 x 1.5, Thin

8шт.

8

1533920C1

SUPPORT ASSY.

90131 Lower Left

1шт.

9

1533921C1

SUPPORT ASSY.

90131 Lower Right

1шт.

10

T101163

WASHER

4шт.

12

1534264C1

PLATE

2шт.

13

T103240

BRACKET

2шт.

14

1531489C1

GAS STRUT

STRUT, 16 in, 90131, 5120

2шт.

14

1531490C1

GAS STRUT

STRUT, 16 in, 90131, 5130, 5140, 5150

2шт.

15

T101806

RING

retaining

4шт.

16

1531344C1

PIN

BALL

2шт.

17

T103238

SHROUD

2шт.

19

T104560

BRACKET

1шт.

20

T104559

HOLDER

BRACKET

1шт.

22

614-10035

BOLT,Hex, M10 x 1.5 x 35mm, Cl 8.8, Full Thd

4шт.

23

1533154C2

FRAME ASSY

90131, 5120, 5130, 5140, Serial Range: -JJF1016704

1шт.

23

1534285C4

FRAME ASSY

90131, Start Serial: JJF1016705

1шт.

24

614-10025

BOLT,Hex, M10 x 1.5 x 25mm, Cl 8.8

4шт.

25

934281R1

WASHER,M10.5 ID x 20 OD x 2 Thk

4шт.

26

1531883C2

BOWDEN CONTROL,1878mm L

CABLE ASSY., 90131, 5120, 5130, 5140, Serial Range: -JJF1016704

1шт.

27

T104556

GUIDE

1шт.

28

T104555

GUIDE

1шт.

29

814-6016

BOLT,Hex, M6 x 1 x 16mm, Cl 8.8, Full Thd

4шт.

32

1533700C3

SEAL

90131 Left

1шт.

33

1533974C1

CLIP,ELECTRICAL

8шт.

35

REF

INSTRUCTION

DECAL, 90131 Right, See Figure: 9H-16

1шт.

36

REF

INSTRUCTION

DECAL, 90131 Left, See Figure: 9H-16

1шт.

37

1531458C1

SEAL

90131 Left

1шт.

38

1531457C1

SEAL

90131 Right

1шт.

39

1533203C1

PLUG

12.4 mm

2шт.

40

1533373C1

WASHER

4шт.

42

1533066C1

NUT

90131 ( - JJF1018633), Serial Range: -JJF1018633

14шт.

42

1534419C2

PLUG

CLIP, 90131 (JJF1018634 - ), Start Serial: JJF1018634

14шт.

43

1968108C2

TRIM

PLUG

1шт.

44

3402979R2

BAND

cable 350 mm

1шт.

45

1531989C1

RUBBER SEAL

2шт.

46

1533074C2

HANDLE

90131, 5120

2шт.

46

1533076C2

HANDLE

90131, 5130, 5140, 5150

2шт.

47

825-1408

NUT,M8, Cl 8

4шт.

48

895-11008

WASHER,9mm ID x 16mm OD x 1.6mm Thk

4шт.

50

108157A1

GAS STRUT

9 in, 90131, Serial Range: -JJF1018633

1шт.

51

614-8020

BOLT,Hex, M8 x 1.25 x 20mm

1шт.

52

614-8025

BOLT,Hex, M8 x 1.25 x 25mm, Cl 8.8, Full Thd

1шт.

53

895-11005

WASHER,5.5mm ID x 10mm OD x 1mm Thk

4шт.

54

825-1406

NUT,M6, Cl 8

3шт.

Выбрано товаров: 51