Качественные детали и логистика
Оригинальные и аналоговые запчасти с доставкой по России, Казахстану и Беларуси
©2022 PartSell ООО "Система" ИНН 2463123282 ОГРН 1212400004838
Центральный офис: г. Красноярск, Академика Киренского, д.87, пом.4
Телефон: 8 (800) 777-65-74 Email: zakaz@partsell.ru
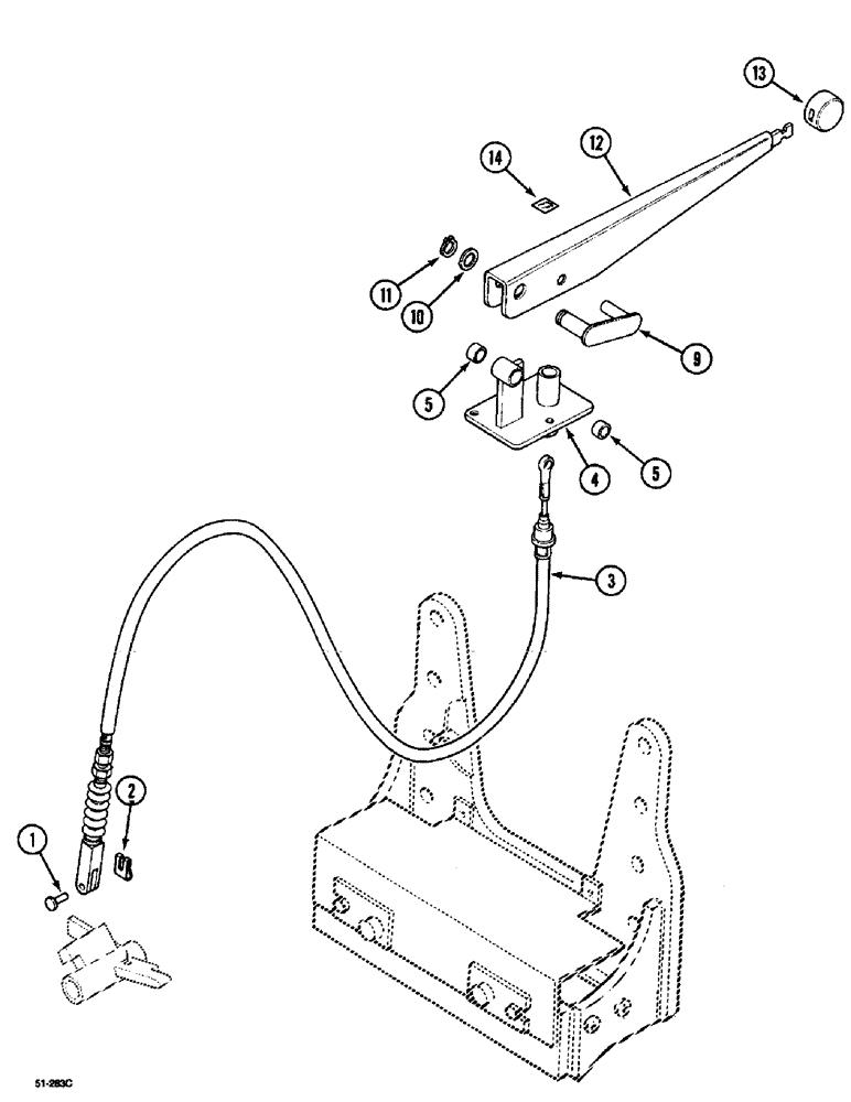
(9G-088) - AUTOMATIC HITCH CONTROLS
№
Артикул
Название
Примечание
Количество
1
T103633
PIN
1шт.
2
T102627
CLIP
3
1531097C1
BOWDEN CONTROL,1622mm L
CABLE
4
1531113C1
SUPPORT
ASSY., 90117, Includes: 5
5
3229469R1
BUSHING
2шт.
9
1531215C2
SUPPORT ASSY.
10
905782R1
WASHER,M16 ID x 22 OD x 1 Thk
16 x 22 x 1 mm
11
800-1116
SNAP RING,M16, Ext
12
1531214C1
LEVER ASSY.
13
T103472
KNOB
14
1344281C1
PRODUCT GRAPHIC
Выбрано товаров: 0