Запчасти Case IH 5150 (4-70) - HEADLIGHTS (04) - ELECTRICAL SYSTEMS

Схема запчастей Case IH 5150 - (4-70) - HEADLIGHTS (04) - ELECTRICAL SYSTEMS
9
4
13
9
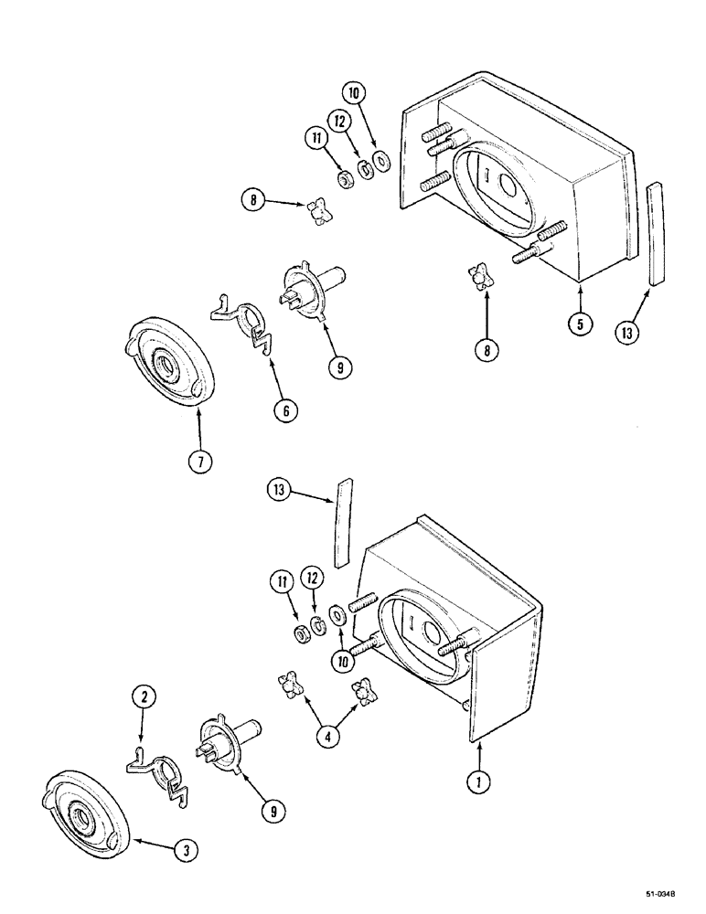
10
13
10
5
12
11
12
11
8
7
8
6
1
3
2
FIT
1:1
100%

Артикул

Название

Примечание

Количество

1

1964980C2

HEADLIGHT

43510 Right Right Traffic Includes : 2, 3, 4

1шт.

1

1964883C2

HEADLIGHT

43510 Right Right Traffic For France Only Includes : 2, 3, 4

1шт.

1

1964879C2

HEADLIGHT

43510 Right Left Traffic UK Only Includes : 2, 3, 4

1шт.

2

1983288C1

RETAINER

1шт.

3

1983287C2

GASKET

1шт.

4

1983289C1

CLIP

ADJUSTER

2шт.

5

1964878C2

HEADLIGHT

43510 Left Right Traffic Includes : 6, 7, 8

1шт.

5

1964884C2

HEADLIGHT

43510 Left Right Traffic For France Only Includes : 6, 7, 8

1шт.

5

1964880C2

HEADLIGHT

43510 Left Left Traffic UK Only Includes : 6, 7, 8

1шт.

6

1983288C1

RETAINER

1шт.

7

1983287C2

GASKET

1шт.

8

1983289C1

CLIP

ADJUSTER

2шт.

9

91967C1

BULB

H4, 43510 Clear

2шт.

9

91961C1

BULB

12V, 55W, 43510 Yellow For France Only

2шт.

10

895-11006

WASHER,6.6mm ID x 12mm OD x 1.6mm Thk

6шт.

11

829-1306

NUT,M6, Cl 10

6шт.

12

892-11006

LOCK WASHER,M6

6шт.

13

1534223C1

SEAL

2шт.

Выбрано товаров: 0