Запчасти Case IH 5150 (5-38) - FRONT AXLE, MFD (05) - STEERING

Схема запчастей Case IH 5150 - (5-38) - FRONT AXLE, MFD (05) - STEERING
19
11
3
7
20
20
11
8
13
8
17
14
5
12
15
8
6
10
8
16
9
7
1
19
2
18
4
10
FIT
1:1
100%

Артикул

Название

Примечание

Количество

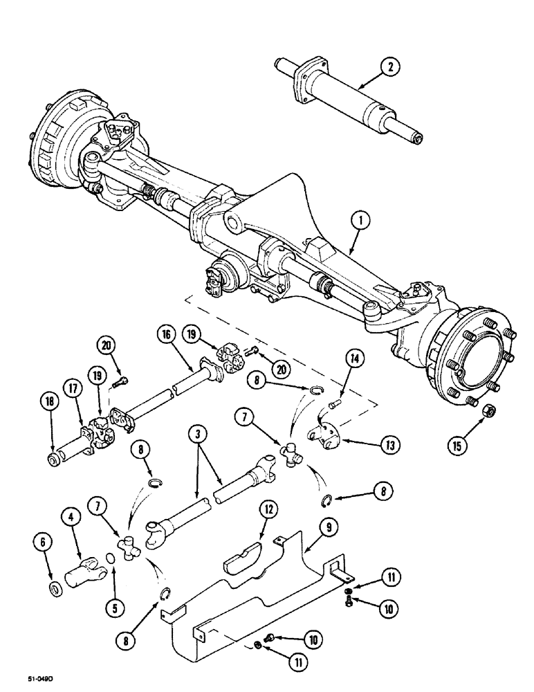
1

1995412C2

4WD AXLE ASSY

front, 60003, 5120, 5130, 5140

1шт.

1

1995413C2

4WD AXLE ASSY

front, 60003, 5140, 5150

1шт.

1

183346A1

4WD AXLE ASSY

front, 60003, 5130, 5140, 5150

1шт.

2

REF

INSTRUCTION

CYLINDER, 50760 See Figure: 5-42

1шт.

3b

1530943C1

DRIVE SHAFT

63161, 5120 18 inch, Start Serial: JJF1021819

1шт.

3d

1530950C1

DRIVE SHAFT

63161, 5130, 5140, 5150 28 inch, Start Serial: JJF1019807

1шт.

1530944C1

YOKE

UNIVERSAL JOINT YOKE 63161 Includes: 4, 5, 6

1шт.

4

1530947C1

YOKE

UNIVERSAL JOINT YOKE 63161 Includes: 5, 6

1шт.

5

1530948C1

PLUG

1шт.

6

1530941C1

OIL SEAL

63161 Includes: 4, 5, 6

1шт.

7

1530942C1

U-JOINT SPIDER

UNION cross

2шт.

8

1530949C1

CIRCLIP

snap

8шт.

9

T104287

GUARD

25 in, 90135, 5120

1шт.

9

T104290

GUARD

34 in, 90135, 5130, 5140, 5150

1шт.

10

614-8016

BOLT,Hex, M8 x 1.25 x 16mm, Cl 8.8, Full Thd

4шт.

11

895-11008

WASHER,9mm ID x 16mm OD x 1.6mm Thk

4шт.

12

1531988C2

RUBBER SEAL

SEAL

1шт.

13

1530945C1

YOKE

UNIVERSAL JOINT YOKE

1шт.

14

627-8020

BOLT,Hex, M8 x 1.25 x 20mm, Cl 10.9, Full Thd

4шт.

15

98783C1

WHEEL NUT,Wheel, Flg, M20 x 1.5

16шт.

16a

1981180C1

SHAFT ASSY.

drive, 63161, 5120 17 inch, Start Serial: JJF1021818

1шт.

16c

1981179C1

SHAFT ASSY.

drive, 63161, 5130, 5140 27 inch, Start Serial: JJF1019806

1шт.

17

1981152C1

YOKE

63161 Includes: 18

1шт.

18

1981181C1

SEAL

1шт.

19

1981084C1

SPIDER ,U-JOINT

JOINT, SPIDER

2шт.

20

827-8040

BOLT,Hex, M8 x 1.25 x 40mm, Cl 10.9

16шт.

Выбрано товаров: 26