Запчасти Case IH 5230 (6-060) - TRANSMISSION, FORWARD/REVERSE SHUTTLE CONTROLS, JJF1017718 - 1029999 (06) - POWER TRAIN

Схема запчастей Case IH 5230 - (6-060) - TRANSMISSION, FORWARD/REVERSE SHUTTLE CONTROLS, JJF1017718 - 1029999 (06) - POWER TRAIN
12
2
9
10
19
6
1
3
4
5
11
13
13
17
8
14
16
18
7
FIT
1:1
100%

Артикул

Название

Примечание

Количество

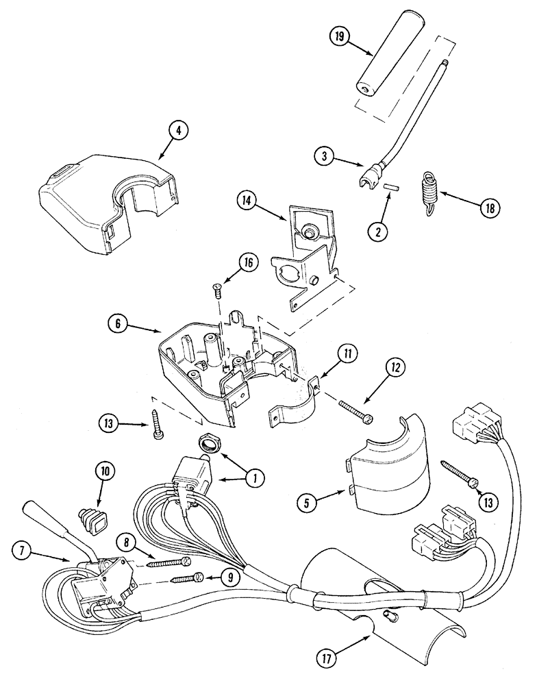
1

1534406C2

SWITCH ASSY

SWITCH - forward/reverse, shuttle, includes harness

1шт.

2

1530837C1

PIN

PIN - lever retaining

1шт.

3

1530835C1

LEVER

LEVER - forward/reverse, shift

1шт.

4

1534402C2

COVER

COVER - forward/reverse, upper

1шт.

5

1534403C3

COVER

COVER - forward/reverse, rear

1шт.

6

1534401C2

CASE

COVER - forward/reverse, lower

1шт.

7

1534417C2

FLASHER SWITCH

SWITCH - flasher/horn, includes harness

1шт.

117316A1

SET OF PARTS

KIT - hardware, (Also Includes item 16), Includes Ref: 8-13

1шт.

8

NSS

NOT SOLD SEPARAT

SCREW - pan head 3.5 x 45 mm

1шт.

9

NSS

NOT SOLD SEPARAT

SCREW - pan head 3.5 x 38 mm

2шт.

10

1534404C1

BELLOWS

BOOT - rubber

1шт.

11

1534405C1

SUPPORT

BRACKET - column mounting

1шт.

12

905655R1

SCREW,Pan Cross Recess Machine, M4 x 40mm, Cl 4.8

SCREW - cross recess, 4 x 10 mm

2шт.

13

905976R1

SELF-TAP SCREW,Pan Hd, M3.9 x 25

SCREW - pan head, 3.9 x 25 mm

4шт.

14

1530838C1

SUPPORT ASSY.

BRACKET - switch mounting

1шт.

16

NSS

NOT SOLD SEPARAT

SCREW - pan had 2.9 x 9.5 mm

1шт.

17

1534481C2

SUPPORT ASSY.

BRACKET - cable routing

1шт.

18

1534416C2

SPRING

SPRING - forward/reverse

1шт.

19

1981858C1

HANDLE

KNOB - forward/reverse shift

1шт.

Выбрано товаров: 19