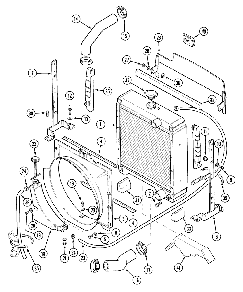
Запчасти Case IH 5230 (2-002) - RADIATOR AND CONNECTIONS (02) - ENGINE

Схема запчастей Case IH 5230 - (2-002) - RADIATOR AND CONNECTIONS (02) - ENGINE
8
38
39
28
3
35
11
14
33
23
41
20
15
26
24
37
6
40
24
12
16
20
27
34
35
1
22
2
36
25
17
10
13
9
18
4
32
19
21
5
4
7
19
FIT
1:1
100%

Артикул

Название

Примечание

Количество

1

104753A1

RADIATOR

- assembly, Includes Ref: 2

1шт.

2

217-86

PLUG,Hex Hd, 1/4"-18, Brass

- hex head, 1/4 inch PT

1шт.

3

A173459

SHROUD

- fan

1шт.

4

A173165

SEALING STRIP

- fan shroud, radiator

2шт.

5

614-8016

BOLT,Hex, M8 x 1.25 x 16mm, Cl 8.8, Full Thd

- hex, full threads, 8 - 1.25 x 16 mm

7шт.

6

895-15008

WASHER,9mm ID x 20mm OD x 1.6mm Thk

7шт.

7

1531329C1

SUPPORT

BRACKET - radiator, left

1шт.

8

1531328C1

SUPPORT

BRACKET - radiator, right

1шт.

9

614-10030

BOLT,Hex, M10 x 1.5 x 30mm, Cl 8.8, Full Thd

Full Thd Hex, M10 x 30, 8.8

4шт.

10

895-11010

WASHER,11mm ID x 20mm OD x 2mm Thk

- plain, 11 x 20 x 2 mm

4шт.

11

T100568

RUBBER

MOUNTING - rubber

4шт.

12

614-10030

BOLT,Hex, M10 x 1.5 x 30mm, Cl 8.8, Full Thd

Full Thd Hex, M10 x 30, 8.8

4шт.

13

934674R1

WASHER,M10.5 x 30 x 2.5

- flat, 10.5 x 30 x 2.5 mm

4шт.

14

T103198

RADIATOR HOSE,45.00 mm ID x 300.00 mm, SAE J20,SAE 20R4 CLASS D1

Inlet 45.00 mm ID x 300.00 mm, SAE J20,SAE 20R4 CLASS D1

1шт.

15

214-1428

HOSE CLAMP,#28, 1.31" - 2.25", Type F Worm

CLAMP, HOSE, , Adjustable, Open #28, 1.31/2.25 Type F Worm

2шт.

16

T103197

RADIATOR HOSE,58.00 mm ID x 250.00 mm, SAE J20,SAE 20R4 CLASS D1

Outlet 58.00 mm ID x 250.00 mm, SAE J20,SAE 20R4 CLASS D1

1шт.

17

214-1440

HOSE CLAMP,#40, 2.06" - 3", Type F Worm

CLAMP - hose, adjustable, 2-1/16 - 3 open

2шт.

18

A189107

RESERVOIR

CONTAINER - coolant recovery

1шт.

19

614-8020

BOLT,Hex, M8 x 1.25 x 20mm

- hex, full threads, 8 - 1.25 x 20 mm

2шт.

20

895-15008

WASHER,9mm ID x 20mm OD x 1.6mm Thk

3шт.

21

825-1408

NUT,M8, Cl 8

1шт.

22

1547924C1

CAP

- screw-on, tethered, coolant recovery bottle

1шт.

23

NSS

NOT SOLD SEPARAT

HOSE - 1055 mm, coolant recovery (Cut from L126767)

1шт.

L126767

HOSE,7.9mm ID x 2336mm L, SAE 30R6

1шт.

24

A171099

HOSE CLAMP,13.2mm - 15.4mm

CLAMP - hose

3шт.

25

1533890C2

SEALING STRIP

STRIP - foam

2шт.

26

1530610C2

PLATE ASSY.

PLATE - assembly (5250 tractors only)

1шт.

27

614-8016

BOLT,Hex, M8 x 1.25 x 16mm, Cl 8.8, Full Thd

- hex, full threads, 8 - 1.25 x 16 mm

4шт.

28

895-11008

WASHER,9mm ID x 16mm OD x 1.6mm Thk

- flat, 9 x 16 x 1.6 mm

4шт.

32

1533889C2

SEALING STRIP

STRIP - sealing

1шт.

33

1533887C1

FOAM INSULATION

FOAM - seal, right

1шт.

34

1533888C1

SEAL

FOAM - seal, left

1шт.

35

3148767R2

COLLAR CLAMP

STRAP - cable

2шт.

36

905920R1

SHIM,M9 ID x 15 OD x .5 Thk

9 x 15 x 0.5 mm

1шт.

37

A170241

RADIATOR CAP

CAP, RADIATOR, Filler, 15 psi

1шт.

38

854-10030

BOLT,Hvy Hex, M10 x 30mm, Cl 10.9

- heavy hex flange, 10 - 1.5 x 30 mm, Class 10.9

2шт.

39

1998841C1

HOSE

- coolant recovery

1шт.

40

1530635C1

GASKET

GASKET - hoses (5250 tractors only)

1шт.

41

1530829C2

FOAM

SEAL - foam (5250 tractors only)

1шт.

41

1533978C2

FOAM

SEAL - foam (All tractors with Front PTO)

1шт.

Выбрано товаров: 40