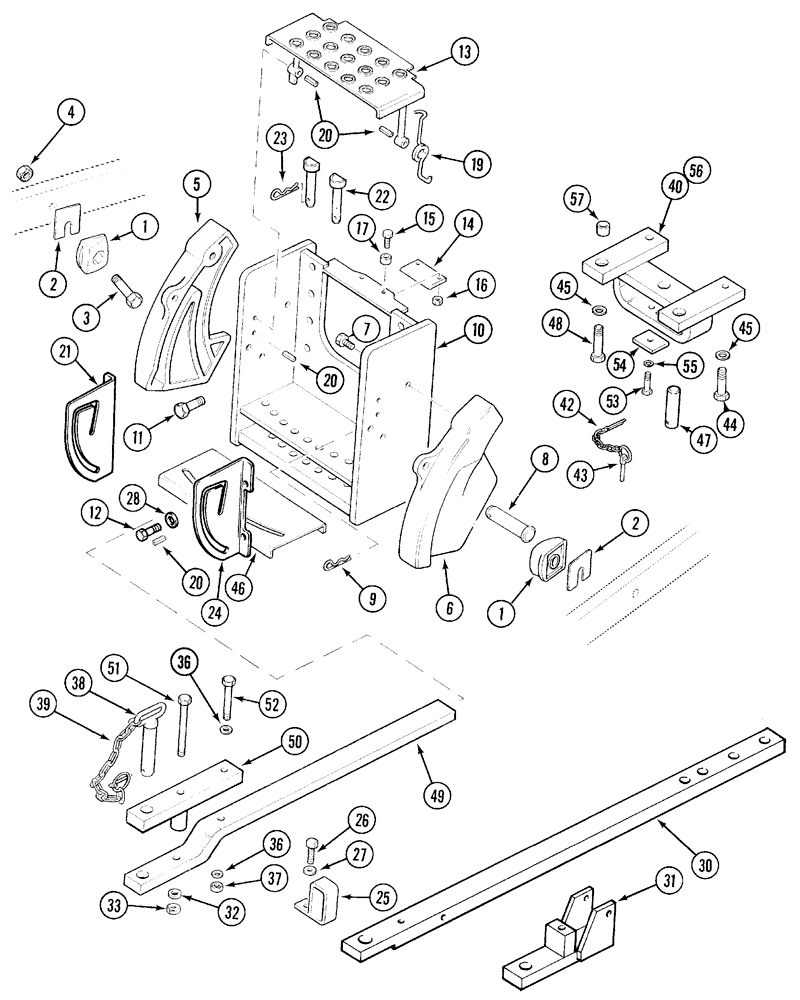
Запчасти Case IH 5230 (9-012) - HITCH, STABILIZER, DRAWBAR AND PTO SHIELD (09) - CHASSIS/ATTACHMENTS

Схема запчастей Case IH 5230 - (9-012) - HITCH, STABILIZER, DRAWBAR AND PTO SHIELD (09) - CHASSIS/ATTACHMENTS
56lll.
2
30
44
37
49
1
12
50
20
27
46
31
2
36
28
40
3
47
5
1
8
43
25
32
15
39
20
54
38
17
53
22
20
48
45
57
24
765
19
52
36
42
45
11
33
10
9
4
55
13
23
14
21
7
6
51
26
FIT
1:1
100%

Артикул

Название

Примечание

Количество

1

1348091C1

STOP

BUMPER - cam sway limiter

2шт.

Available in the depot

1шт.

2

1961402C2

SPACER

SHIM - cam bumper

4шт.

3

828-20080

BOLT,Hex, M20 x 2.5 x 80mm, Cl 10.9

- hex, 20 - 2.5 x 80 mm

2шт.

4

832-41320

NUT,M20 x 2.5, Cl 10

NUT - hex, self-locking, 20 mm - 2.5

2шт.

5

1973960C2

CAM

- sway limiter, left

1шт.

6

1973961C2

CAM

- sway limiter, right

1шт.

7

30215R1

BOLT,Hex, M16 x 2 x 45mm, Cl 10.9

- hex, 16 mm x 45mm

2шт.

8

236681A1

CLEVIS PIN

PIN - headed, 15 x 45 mm

2шт.

9

905821R1

COTTER PIN,6.3mm x 78.3mm L

PIN - cotter, 4 mm

2шт.

10

1534262C1

SUPPORT ASSY.

BRACKET - assembly, cam sway limiter

1шт.

11

628-16040

BOLT,Hex, M16 x 2 x 40mm, Cl 10.9, Full Thd

8шт.

12

627-10025

BOLT,Hex, M10 x 1.5 x 25mm, Cl 10.9, Full Thd

- hex, full threads, 10 - 1.5 x 25 mm, class 10.9 ( - JJF1013841)

4шт.

13

1534252C1

PROTECTOR

SHIELD - PTO (JJF1013842 - )

1шт.

13

1960202C1

STEP

SHIELD - PTO ( - JJF1013841)

1шт.

14

1534259C1

FIXING BRACKET

CLAMP - PTO shield (JJF1013842 - )

1шт.

14

1960114C1

CLAMP

- PTO shield ( - JJF1013841)

1шт.

15

628-8025

BOLT,Hex, M8 x 1.25 x 25mm, Cl 10.9, Full Thd

2шт.

16

829-1308

NUT,M8, Cl 10

- hex, 8 mm - 1.25, Cl 10

2шт.

17

1534260C1

WASHER

- side shield, left

1шт.

19

1534261C1

SPRING

- side shield, right

1шт.

20

932303R1

LOCK PIN,M10 x 40, Slotted

PIN - 10 x 40 mm, roll, 10 mm x 40 mm

3шт.

21

1965633C1

PLATE

- side shield, left ( - JJF1013841)

1шт.

22

1534666C1

HITCH PIN

PIN - drawbar lock (5100 Series only)

2шт.

22

1534642C1

HITCH PIN,16mm OD x 94.8mm L

PIN - assembly, drawbar lock

1шт.

23

1534667C1

LINCH PIN

PIN - quick attach, cotter

1шт.

24

1965634C1

PLATE

- side shield, right ( - JJF1013841)

1шт.

25

1973937C2

SUPPORT

BRACKET - safty chain

1шт.

26

828-16160

BOLT,Hex, M16 x 2 x 160mm, Cl 10.9

- hex, 16 - 2.0 x 160 mm, 10.9

1шт.

27

896-12016

WASHER,17.5mm ID x 30mm OD x 4mm Thk

- flat, 17.5 x 30 x 4 mm, hardened

1шт.

28

896-12010

WASHER,11mm ID x 21mm OD x 2.5mm Thk

- flat, 11 x 21 x 2.5 mm, hardened

4шт.

30

1332020C3

BAR

- drawbar (Early production)

1шт.

31

1973926C2

SUPPORT

STRAP - hammer

1шт.

For hardware, see european book figure 9G-44

1шт.

32

896-12016

WASHER,17.5mm ID x 30mm OD x 4mm Thk

- flat, 17.5 x 30 x 4 mm, hardened

1шт.

33

829-1316

NUT,M16, Cl 10

- hex, 16 mm - 2.0

1шт.

36

892-11012

LOCK WASHER,M12

WASHER, LOCK, M12

2шт.

37

829-1312

NUT,M12 x 1.75, Cl 10

- hex, 12 mm - 1.75, class 10

1шт.

38

1974215C3

HITCH PIN,40mm OD x 185mm L

PIN - assembly, drawbar, Includes Ref: 39

1шт.

39

NSS

NOT SOLD SEPARAT

CHAIN - drawbar pin (Order 1974215C3)

1шт.

40

1348194C1

HITCH BRACKET

BRACKET - drawbar, 110 mm hole centers ( - JJF1026487), Includes Ref: 42, 43

1шт.

1998011C1

CHAIN (AG)

CHAIN - assembly, safety, Includes Ref: 42, 43

1шт.

42

1348196C2

CHAIN (AG)

CHAIN - with cotter pin

1шт.

43

1348064C1

LINCH PIN

PIN - linch

1шт.

44

828-16060

BOLT,Hex, M16 x 2 x 60mm, Cl 10.9

(JJF1026488 - ) Hex, M16 x 60, 10.9, Full Thd

2шт.

44

828-16070

BOLT,Hex, M16 x 2 x 70mm, Cl 10.9

( - JJF1026487) Hex, M16 x 70, 10.9

2шт.

45

896-11016

WASHER,17.5mm ID x 30mm OD x 4mm Thk

- flat, 17.5 x 30 x 4 mm, hardened ( - JJF1026487)

4шт.

46

1332034C2

PLATE

- drawbar wear

1шт.

109616A1

LARGE PLATE

BAR 4.88

1шт.

109617A2

HITCH PIN,28.6mm OD x 140mm L

17.60

1шт.

112446A1

LARGE PLATE

21.61

1шт.

606-12040

BOLT,Hex, M12 x 40mm, Cl 10.9

3.52

1шт.

896-11012

WASHER,13.5mm ID x 24mm OD x 3mm Thk

1шт.

47

1530623C1

HITCH PIN

PIN - assembly, drawbar pivot (JJF1026488 - )

1шт.

47

1348197C1

HITCH PIN

PIN - assembly, drawbar pivot (JJF1011993 - 1026487)

1шт.

47

1331764C4

PIN

- assembly, drawbar pivot ( - JJF1011992)

1шт.

48

828-16075

BOLT,Hex, M16 x 2 x 75mm, Cl 10.9

(JJF1026488 - ) Hex, M16 x 75, 10.9

2шт.

48

828-16085

BOLT,Hex, M16 x 2 x 85mm, Cl 10.9

- hex, 16 - 2.0 x 85 mm ( - JJF1026487)

2шт.

49

104642A2

BAR

DRAWBAR - offset

1шт.

51

828-16180

BOLT,Hex, M16 x 2 x 180mm, Cl 10.9

M16 x 180, 10.9

1шт.

52

828-12090

BOLT,Hex, M12 x 1.75 x 90mm, Cl 10.9

- hex, 12 - 1.75 x 90 mm, class 10.9

1шт.

53

614-12020

BOLT,Hex, M12 x 1.75 x 20mm, Cl 8.8, Full Thd

(JJF1026488 - ) Hex, M12 x 20, 8.8, Full Thd

1шт.

50

104643A1

SUPPORT ASSY.

STRAP - hammer

1шт.

54

1530624C1

PLATE

BAR - spacer (JJF1026488 - )

1шт.

55

896-11012

WASHER,13.5mm ID x 24mm OD x 3mm Thk

(JJF1026488 - ) M13.5 x 24.5 x 3, HT

2шт.

56

1530810C1

HITCH BRACKET

BRACKET - assembly, drawbar, 94 mm hole centers (JJF1026488 - ), Includes Ref: 57

1шт.

57

1331722C1

LARGE PIN

BUSHING

2шт.

Выбрано товаров: 67