Запчасти Case IH 5230 (3-002) - FUEL TANK AND LINES (03) - FUEL SYSTEM

Схема запчастей Case IH 5230 - (3-002) - FUEL TANK AND LINES (03) - FUEL SYSTEM
52
26
48
36
12
55
4
32
62
41
61
46
24
2
17
33
15
58
60
42
36
31
58
44
39
24
57
20
1
37
51
3
34
49
36
59
40
15
39
29
57
56
15
35
9
30
28
5
45
8
36
50
47
43
13
FIT
1:1
100%

Артикул

Название

Примечание

Количество

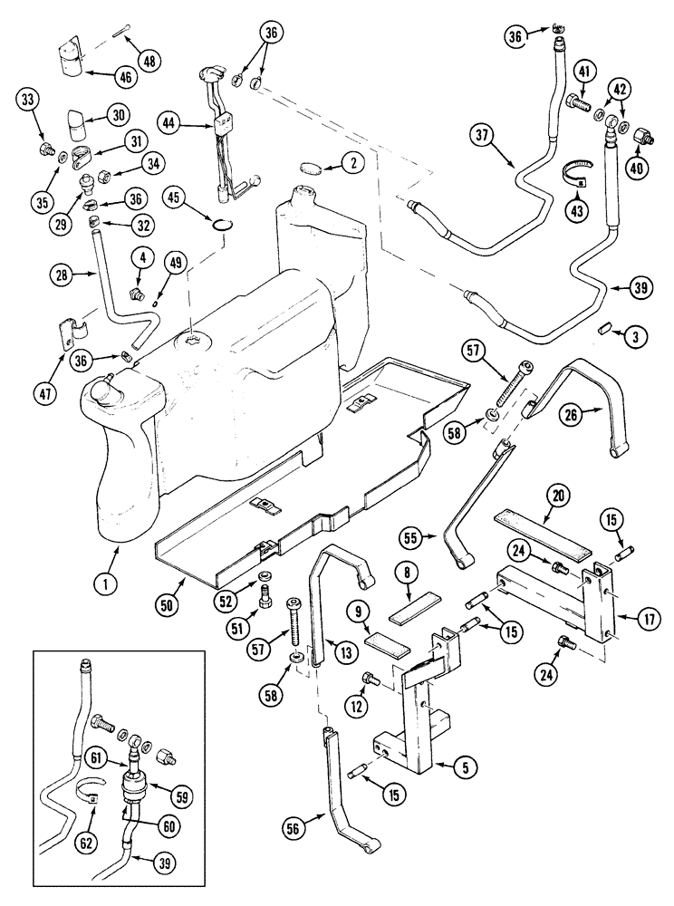
1

1530621C2

FUEL TANK

TANK - fuel, rear filling, 170 liter

1шт.

1

1533839C3

FUEL TANK

TANK - fuel, with rear breather, 170 liter

1шт.

1

1530622C2

FUEL TANK

TANK - fuel, rear filling, 135 liter

1шт.

1

1533838C1

FUEL TANK

TANK - fuel, with rear breather, 135 liter

1шт.

2

1531353C2

FILLER CAP

CAP - fuel

1шт.

3

T104543

WEDGE

- hose support

4шт.

4

T104544

PLUG

- drain

1шт.

5

1533479C1

SUPPORT ASSY.

BRACKET - rear, fuel tank, 170 liter ( - JJF1017041)

1шт.

5

1534442C1

SUPPORT ASSY.

BRACKET - rear, fuel tank, 170 liter (JJF1017042 - )

1шт.

5

1533480C1

SUPPORT ASSY.

BRACKET - rear, fuel tank, 135 liter ( - JJF1017041)

1шт.

5

1534443C1

SUPPORT ASSY.

BRACKET - rear, fuel tank, 135 liter (JJF1017042 - )

1шт.

8

1533511C1

FELT STRIP

STRIP - fuel tank

1шт.

9

1533521C1

FELT STRIP

STRIP - fuel tank (replaced 1533321C1)

1шт.

12

614-16030

BOLT,Hex, M16 x 2 x 30mm, Cl 8.8, Full Thd

2шт.

13

1533498C1

STRAP

- rear, fuel tank, 135/170 liter ( - JJF1017041)

1шт.

13

1534517C1

STRAP

- rear, fuel tank, 135/170 liter (JJF1017042 - )

1шт.

15

1533503C1

PIN

- strap retaining

4шт.

17

1533481C1

SUPPORT ASSY.

BRACKET - front, fuel tank, 170 liter ( - JJF1017041)

1шт.

17

1534444C1

SUPPORT ASSY.

BRACKET - front, fuel tank, 170 liter (JJF1017042 - )

1шт.

17

1533482C1

SUPPORT ASSY.

BRACKET - front, fuel tank, 135 liter ( - JJF1017041)

1шт.

17

1534445C1

SUPPORT ASSY.

BRACKET - front, fuel tank, 135 liter (JJF1017042 - )

1шт.

20

1533520C1

FELT STRIP

STRIP - fuel tank

1шт.

24

614-16030

BOLT,Hex, M16 x 2 x 30mm, Cl 8.8, Full Thd

170 liter Hex, M16 x 30, 8.8, Full Thd

2шт.

24

614-16030

BOLT,Hex, M16 x 2 x 30mm, Cl 8.8, Full Thd

135 Liter Hex, M16 x 30, 8.8, Full Thd

1шт.

26

1533504C1

STRAP

- front, fuel tank, 135/170 liter ( - JJF1017041)

1шт.

26

1534754C1

STRAP

- front, fuel tank, 135/170 liter (JJF1017042 - )

1шт.

28

1531425C1

HOSE

- breather, tractors with cab

1шт.

28

1531071C1

TUBE

HOSE - breather, tractors without cab

1шт.

29

T103750

BREATHER

VALVE - breather

1шт.

30

T103777

TUBE

PIPE - tractors without cab

1шт.

31

T103793

PIPE CLAMP

CLAMP - tractors without cab

1шт.

32

T103545

CLAMP

- tractors without cab

2шт.

33

514-504

BOLT,Hex, M6 x 1 x 16mm, Cl 8.8, Full Thd

- hex, 6 x 16 mm, Class 8.8

3шт.

34

15896221

NUT,Hex, M6, 5.20mm High, Cl 10

3шт.

35

895-11006

WASHER,6.6mm ID x 12mm OD x 1.6mm Thk

3шт.

36

3401580R1

CLAMP,M8-12, Worm

- hose, worm drive

5шт.

37

1530820C3

HOSE ASSY.

HOSE - fuel return

1шт.

39

1530842C4

HOSE ASSY.

HOSE - fuel feed, without inline fuel filter

1шт.

39

130913A3

HOSE ASSY.

HOSE - fuel feed, with inline fuel filter

1шт.

40

T101598

PORT

ADAPTER - feed pump

1шт.

41

710098R2

BANJO BOLT,M14 x 1.5 x 32mm

SCREW - hollow

1шт.

42

933610R1

SEALING RING,M14 x 18 x 1.8

2шт.

43

3148767R2

COLLAR CLAMP

STRAP - cable

3шт.

44

1533805C1

FUEL GAUGE

SENDER - fuel tank, 170 liter, 611 mm (24 in) Long, With Filter Screen ( - JJF1050110)

1шт.

44

130915A1

SENDER UNIT

SENDER - fuel tank, 170 liter, 606 mm (23-7/8 in) Long, Without Filter Screen (JJF1050111 - )

1шт.

44

1533806C1

FUEL GAUGE

SENDER - fuel tank, 135 liter, 531 mm (21 in) Long, With Filter Screen ( - JJF1050110)

1шт.

44

239711A1

SENDER UNIT

SENDER - fuel tank, 135 liter, 526 mm (20-3/4 in) Long, Without Filter Screen (JJF1050111 - )

1шт.

45

3229809R1

O-RING

- sender

1шт.

46

1531445C1

CASE

HOUSING - vent, tractors with cab

1шт.

47

1531498C1

CLAMP

- tractors with cab

1шт.

48

905952R1

COTTER PIN,M3.2 x 50

PIN - cotter, tractors with cab

1шт.

49

1531953C1

RUBBER WASHER

- rubber

1шт.

50

1533506C1

PROTECTOR

SHEILD - protection

1шт.

51

614-10016

BOLT,Hex, M10 x 1.5 x 16mm, Cl 8.8, Full Thd

3шт.

51

614-16040

BOLT,Hex, M16 x 2 x 40mm, Cl 8.8, Full Thd

1шт.

52

896-11010

WASHER,11mm ID x 21mm OD x 2.5mm Thk

4шт.

55

1533497C1

STRAP

- front, fuel tank, 170 liter ( - JJF1017041)

1шт.

55

1534516C1

STRAP

- front, fuel tank, 170 liter (JJF1017042 - )

1шт.

55

1533509C2

STRAP

- front, fuel tank, 135 liter ( - JJF1017041)

1шт.

55

1534520C1

STRAP

- front, fuel tank, 135 liter (JJF1017042 - )

1шт.

56

1533499C1

STRAP

- rear, fuel tank, 170 liter( - JJF1017041)

1шт.

56

1534518C1

STRAP

- rear, fuel tank, 170 liter (JJF1017042 - )

1шт.

56

1533510C1

STRAP

- rear, fuel tank, 135 liter ( - JJF1017041)

1шт.

56

1534521C1

STRAP

- rear, fuel tank, 135 liter (JJF1017042 - )

1шт.

57

1534527C1

HEX SOC SCREW,M8 x 100mm, Cl 8.8

- 8 mm x 100mm

2шт.

58

895-11008

WASHER,9mm ID x 16mm OD x 1.6mm Thk

- flat, 9 x 16 x 1.6 mm

2шт.

59

D139225

FILTER, FUEL

FILTER - fuel, in-line

1шт.

60

3125239R1

COLLAR

CLAMP - hose

2шт.

61

130914A3

HOSE ASSY.,9.53mm ID x 75mm L, SAE 30R7

HOSE - fuel supply

1шт.

62

L18337

CABLE TIE,9.95"-12.1" lg

STRAP - tie, 15 inch, nylon

1шт.

Выбрано товаров: 0