Запчасти Case IH 5230 (5-024) - FRONT AXLE, MFD (05) - STEERING

Схема запчастей Case IH 5230 - (5-024) - FRONT AXLE, MFD (05) - STEERING
8
20
8
1
2
7
4
13
10
19
15
8
11
16
19
3
17
18
14
5
6
12
8
10
11
9
7
20
FIT
1:1
100%

Артикул

Название

Примечание

Количество

1

REF

INSTRUCTION

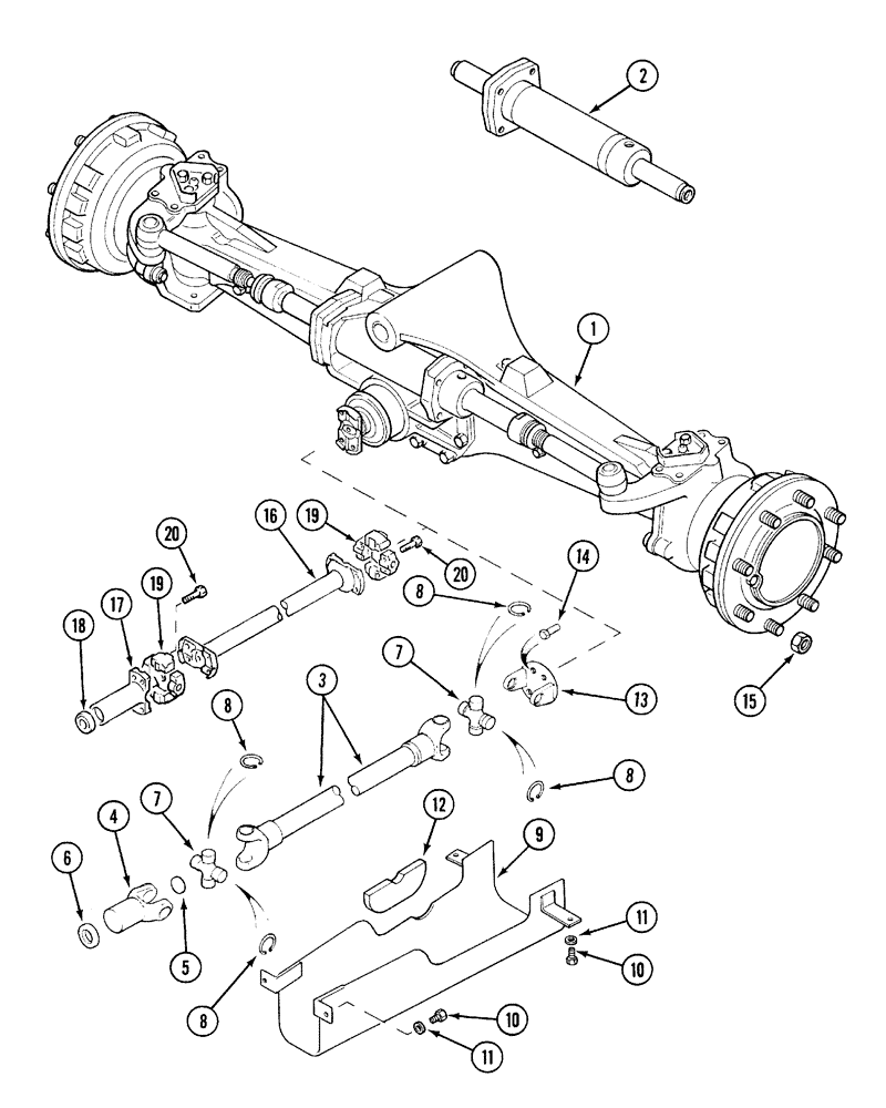
AXLE - assembly, MFD, See Figure(s): 5-26 - 5-38, Includes: Ref. 2

1шт.

2

REF

INSTRUCTION

CYLINDER - assembly, steering, See Figure 5-28

1шт.

3

194279A1

DRIVE SHAFT

SHAFT - drive, elso, (Optional to 1530950C1), 28 inch

1шт.

194276A1

YOKE

- assembly, slip, joint, Includes: Ref. 4, elso

1шт.

4

194277A1

YOKE

- slip joint, Includes: Ref. 5, 6, elso

1шт.

5

1530948C1

PLUG

CAP - slip joint, elso

1шт.

6

1530941C1

OIL SEAL

SEAL - slip yoke, elso

1шт.

3

1530950C1

DRIVE SHAFT

SHAFT - drive, D.B.M (Optional to 194279A1), 28 inch (JJF1019807 - )

1шт.

1530944C1

YOKE

- assembly, slip joint, Includes: Ref. 4, D.B.M.

1шт.

4

NSS

NOT SOLD SEPARAT

YOKE - slip joint, Includes: Ref. 5, 6, D.B.M.

1шт.

5

1530948C1

PLUG

CAP - slip joint, D.B.M.

1шт.

6

1530941C1

OIL SEAL

SEAL - slip yoke, D.B.M.

1шт.

7

194274A1

U-JOINT SPIDER

CROSS - assembly, Includes: Ref. 8, D.B.M.

2шт.

8

1530949C1

CIRCLIP

RING - snap, D.B.M.

8шт.

9

T104290

GUARD

- assembly, MFD shaft, D.B.M.

1шт.

10

614-8016

BOLT,Hex, M8 x 1.25 x 16mm, Cl 8.8, Full Thd

- hex, full threads, 8 - 1.25 x 16 mm, D.B.M.

4шт.

11

895-11008

WASHER,9mm ID x 16mm OD x 1.6mm Thk

- flat, 9 x 16 x 1.6 mm, D.B.M.

4шт.

12

1531988C2

RUBBER SEAL

SEAL - rubber, engine oil drain protection, D.B.M.

1шт.

13

1530945C1

YOKE

- slip joint, D.B.M.

1шт.

14

627-8020

BOLT,Hex, M8 x 1.25 x 20mm, Cl 10.9, Full Thd

- hex, full threads, 8 - 1.25 x 20 mm, class 10.9, D.B.M.

4шт.

15

98783C1

WHEEL NUT,Wheel, Flg, M20 x 1.5

D.B.M. Wheel, Flg, M20 x 1.5

16шт.

16

1981179C1

SHAFT ASSY.

SHAFT - drive,, 18 inch ( - JJF1019806), rockford

1шт.

17

1981152C1

YOKE

- assembly, Includes: Ref. 18, rockford

1шт.

18

1981181C1

SEAL

- slip yoke, rockford

1шт.

19

1981084C1

SPIDER ,U-JOINT

CROSS - assembly, rockford

2шт.

20

827-8040

BOLT,Hex, M8 x 1.25 x 40mm, Cl 10.9

Rockford Hex, M8 x 40, 10.9

16шт.

Выбрано товаров: 0