Запчасти Case IH 5250 (2-038) - TURBOCHARGER SYSTEM, 6T-590 ENGINE, 5140/5240 AND 5250 TRACTORS (02) - ENGINE

Схема запчастей Case IH 5250 - (2-038) - TURBOCHARGER SYSTEM, 6T-590 ENGINE, 5140/5240 AND 5250 TRACTORS (02) - ENGINE
5
19
21
14
2
11
20
13
16
3
9
7
17
20
18
21
15
8
4
8
14
1
12
10
7
FIT
1:1
100%

Артикул

Название

Примечание

Количество

1

REF

INSTRUCTION

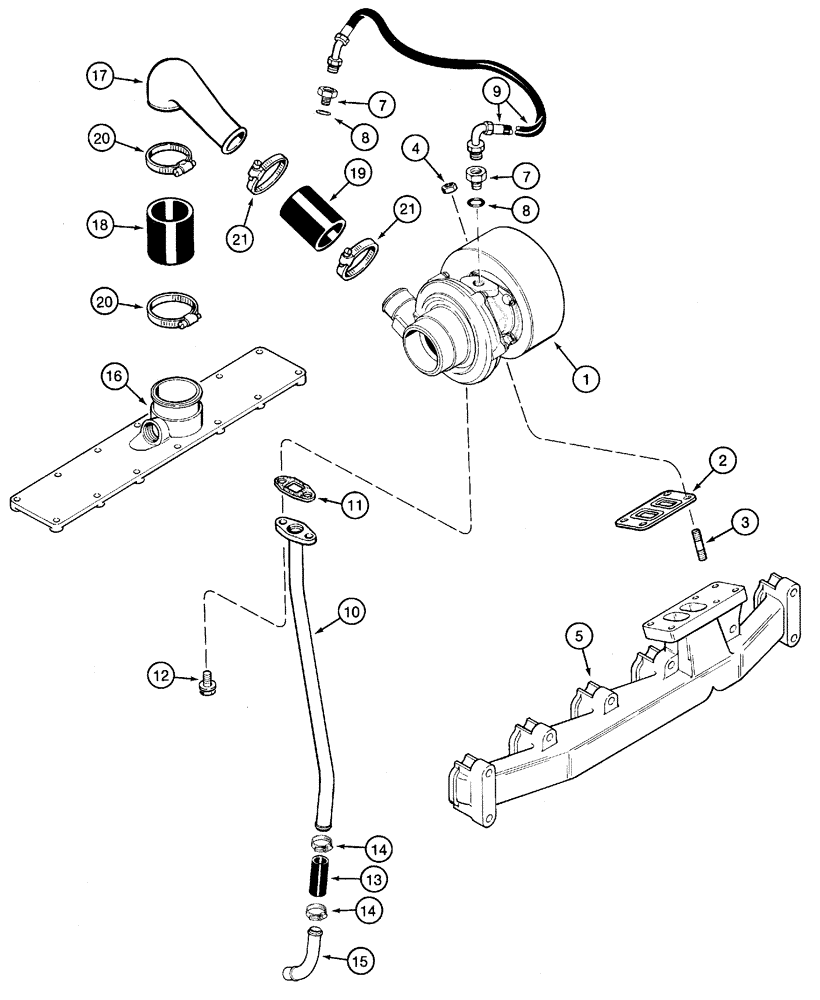
TURBOCHARGER ASSEMBLY - engine, See Figure 2-40

1шт.

2

J901356

GASKET,0.5mm Thk

-, Serial Range: turbocharger-manifold

1шт.

3

J818823

STUD

- turbocharger mounting, M10 x 40

4шт.

4

J818824

FLANGE NUT

- hex flange, special, 10 mm - 1.5

4шт.

5

REF

INSTRUCTION

MANIFOLD - exhaust, (See Figure 2-34)

1шт.

7

J919687

HYD CONNECTOR

ADAPTER - female hex, special, Includes Ref: 8

2шт.

8

238-5013

O-RING,0.07" Thk x 0.426" ID, -13, Cl 5, 75 Duro

-013, 70 Duro, .426" ID x .070" Thk

1шт.

9

J918562

HOSE

- 21-3/16 inch (538 mm) long

1шт.

10

J918579

TUBE

- oil drain, upper

1шт.

11

J928919

GASKET

- turbo oil drain

1шт.

12

845-8020

BOLT,Hvy Hex, M8 x 20mm, Cl 8.8

- heavy hex flange, 8 - 1.25 x 20 mm

2шт.

13

J903745

LARGE HOSE

HOSE - 3 inch (76 mm) long

1шт.

14

214-1416

HOSE CLAMP,#16, 0.81" - 1.5", Type F Worm

CLAMP, HOSE, , Adj., Turbocharger drain hose #16, 0.81/1.50 Type F Worm

2шт.

15

J903744

PIPE FITTING,22.42 mm ID x 28 mm OD x 90.2, 64 mm L

TUBE - turbocharger oil drain

1шт.

16

REF

INSTRUCTION

COVER - intake manifold, (See Figure 2-34)

1шт.

17

J906973

AIR INTAKE TUBE,42 - 54.7 mm ID x 50.8 - 63.5 mm OD

TUBE - air intake

1шт.

18

J916529

TRANSMISSION SLEEVE

HOSE - 3 inch (76 mm) long

1шт.

19

J916166

INTAKE AIR HOSE

HOSE - 2-3/4 inch (71 mm) long

1шт.

20

J924386

COLLAR CLAMP

CLAMP - adjustable, special, F-type

2шт.

21

214-1428

HOSE CLAMP,#28, 1.31" - 2.25", Type F Worm

CLAMP, HOSE, , Adjustable, Open, Retaining #28, 1.31/2.25 Type F Worm

2шт.

Выбрано товаров: 20