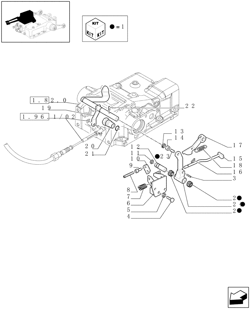
Запчасти Case IH MAXXUM 100 (1.82.5/01[02]) - MDC FOR HEAVY DUTY AXLE - CONTROL PARTS (VAR.330840-331840-331914) (07) - HYDRAULIC SYSTEM

Схема запчастей Case IH MAXXUM 100 - (1.82.5/01[02]) - MDC FOR HEAVY DUTY AXLE - CONTROL PARTS (VAR.330840-331840-331914) (07) - HYDRAULIC SYSTEM
14
24
9
21
13
1.82.0
19
2
3
1
7
6
1.96.1/02
1
18
5
1
4
15
17
23
22
1
1
1
8
20
12
2
10
11
16
FIT
1:1
100%

Артикул

Название

Примечание

Количество

1

5126221

ROD

Incl. 2

1шт.

2

4964519

ROLLER BEARING,Needle, 18mm ID x 16mm OD x 10.5mm W

2шт.

3

353911

LOCK PIN,3.5mm OD x 20mm L, Slotted

1шт.

4

16043424

SCREW,Hex, M8 x 1.25 x 20mm, Cl 8.8, Full Thd

2шт.

5

11193874

BELLEVILLE WASHER,M8 Bolt Size x 16mm OD x 1.4mm Thk

2шт.

6

5129400

SUPPORT

1шт.

7

4959139

SPRING,Compression, 15.5mm OD x 71mm L

1шт.

8

13791321

SET SCREW,Hex Skt, M8 x 50mm, Flat Pt

1шт.

9

5121523

NUT,M8 x 1.25 x 26mm

1шт.

10

5120284

PAD

1шт.

11

13397576

CIRCLIP,12mm ID

D=12

1шт.

12

5117156

PIN,12mm OD x 61.5mm L

1шт.

13

9990741

SNAP RING,M8, Ext

1шт.

14

5111028

ROLLER,18mm OD x 10mm L

1шт.

15

5120285

ROD

1шт.

16

14163970

COTTER PIN,M4 x 20, Slotted

1шт.

17

5129396

LEVER

1шт.

18

4973650

SPRING,Extension, 15mm OD x 57mm L

1шт.

19

5176988

SHAFT

1шт.

20

5129399

PLUG,M22 x 1.5

1шт.

21

10263460

SEAL,22.3mm ID x 28mm OD x 1.5mm Thk

1шт.

22

5186261

ROLL PIN,4mm OD x 24mm L, Coiled

1шт.

23

5129392

PIN,7.5mm OD x 22.5mm L

1шт.

24

5126220

CONNECTING LINK

1шт.

Выбрано товаров: 24