Запчасти Case IH MAXXUM 100 (1.82.6/03[02]) - MDC FOR HEAVY DUTY AXLE - HYDRAULIC LIFT INNER CYLINDER (VAR.330840-331840-331914) (07) - HYDRAULIC SYSTEM

Схема запчастей Case IH MAXXUM 100 - (1.82.6/03[02]) - MDC FOR HEAVY DUTY AXLE - HYDRAULIC LIFT INNER CYLINDER (VAR.330840-331840-331914) (07) - HYDRAULIC SYSTEM
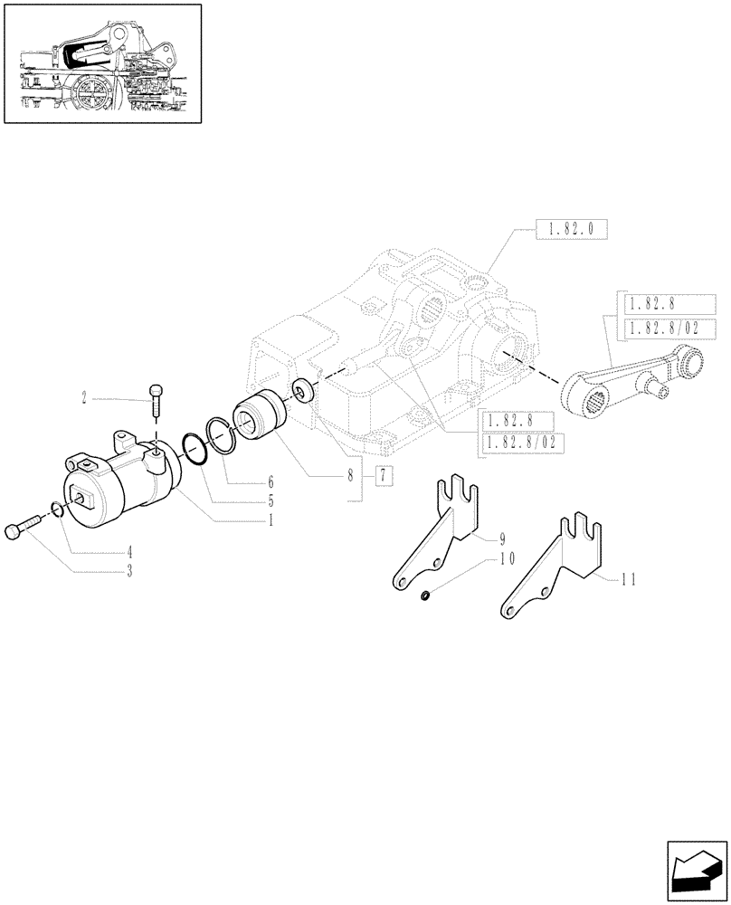
4
5
10
9
3
1
7
6
11
1.82.0
2
1.82.8
1.82.8/02
1.82.8/02
1.82.8
8
FIT
1:1
100%

Артикул

Название

Примечание

Количество

1

5131998

LIFT CYLINDER,86mm Bore Dia

1шт.

2

15981334

BOLT,Hex, M16 x 1.5 x 75mm, Cl 10.9

2шт.

3

15977531

BOLT,Hex, M14 x 1.5 x 60mm, Cl 10.9

1шт.

4

5135738

O-RING,0.103" Thk x 0.674" ID, -115, 80 Duro

1шт.

5

14465981

O-RING,98.02mm ID x 4.137" OD x 2.62mm

1шт.

6

5125941

GUIDE RING,100mm ID x 110mm OD x 4.2mm Thk

D=110x4.2

1шт.

7

5132000

PISTON

1шт.

8

573148

SEAT/SLOT

1шт.

9

87353473

SUPPORT

MAX 115, MAX 125, MAX 140

1шт.

10

12644924

WASHER,14.4mm ID x 32mm OD x 4mm Thk

8шт.

11

87353466

SUPPORT

MAX 100, MAX 110

1шт.

Выбрано товаров: 11