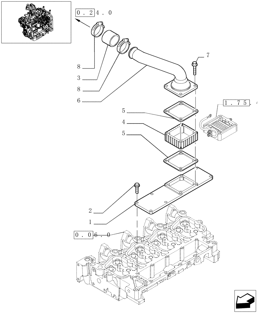
Запчасти Case IH MAXXUM 100 (0.07.1) - INTAKE MANIFOLD (STD + VAR.330003-332115-332116) (01) - ENGINE

Схема запчастей Case IH MAXXUM 100 - (0.07.1) - INTAKE MANIFOLD (STD + VAR.330003-332115-332116) (01) - ENGINE
5
4
3
8
7
2
6
8
5
1
0.24.0
1.75.4/01
0.06.0
FIT
1:1
100%

Артикул

Название

Примечание

Количество

1

2852044

INLET MANIFOLD

1шт.

for Tier 2 engine

1шт.

1

2856462

INLET MANIFOLD

1шт.

for Tier 3 engine

1шт.

2

4899039

BOLT,Flng, M8 x 1.25 x 25mm, Cl 10.9

4шт.

3

2854462

HOSE

1шт.

4

4895648

SPACER

1шт.

5

4899921

GASKET,1.2mm Thk

2шт.

6

2854111

AIR INTAKE TUBE,50 mm OD, 224, 123 mm Length

1шт.

7

4895294

BOLT,Flng, M8 x 1.25 x 80mm, Cl 10.9

4шт.

8

13000890

HOSE CLAMP,50mm - 70mm, Worm Gear

2шт.

Выбрано товаров: 11