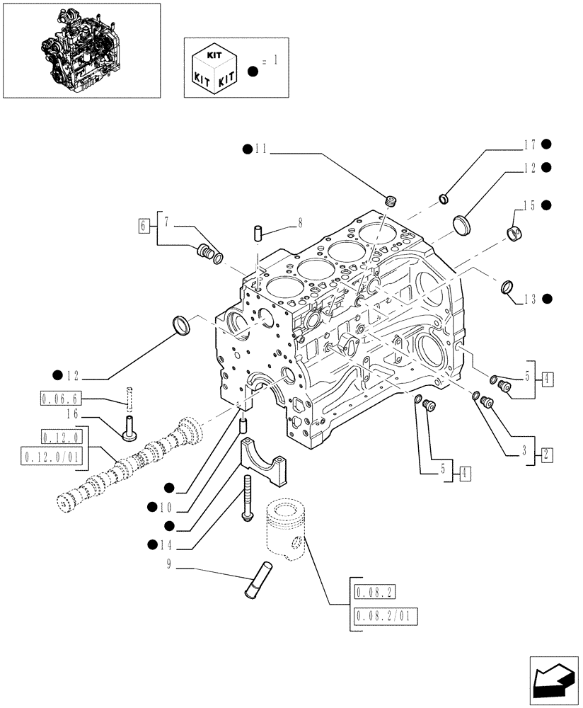
Запчасти Case IH MAXXUM 100 (0.04.0) - CRANKCASE (STD + VAR.330003-332115-332116) (01) - ENGINE

Схема запчастей Case IH MAXXUM 100 - (0.04.0) - CRANKCASE (STD + VAR.330003-332115-332116) (01) - ENGINE
3
5
1
8
12
12
1
0.08.2/01
4
17
14
1
10
5
1
1
0.06.6
1
0.08.2
0.12.0
1
7
16
13
4
1
2
0.12.0/01
1
9
11
1
1
15
6
1
FIT
1:1
100%

Артикул

Название

Примечание

Количество

1

2830738

CYLINDER BLOCK

1шт.

2

4895623

HEX SOCKET PLUG,M16 x 1.5

1шт.

3

4895625

O-RING,13.3mm ID x 2.2mm Width

1шт.

4

4899009

PLUG,M10 x1

2шт.

5

4899072

O-RING,1.6mm Thk x 8.1mm ID

1шт.

6

4895392

HEX SOCKET PLUG,M18 x 1.5

2шт.

7

4895393

O-RING,2.2mm Thk x 15.3mm ID

1шт.

8

4895049

DOWEL,M16.05 x 10

2шт.

9

4896865

LUBE OIL NOZZLE

LUBE OIL JET NOZZLE

4шт.

10

4899026

DOWEL,M18 x 10

10шт.

11

4895039

EXPANSION PLUG,M17.73

1шт.

12

4895038

EXPANSION PLUG,M58.06

4шт.

13

4895228

EXPANSION PLUG,35.23mm x 7.94mm

2шт.

14

4891353

SCREW,Flg Hd, M12 x 1.5 x 120

10шт.

15

4895040

BUSHING,54.39mm ID x 59.39mm OD x 25.4mm L

5шт.

16

J931623

TAPPET

8шт.

17

2831364

LUBE OIL NOZZLE

LUBE OIL JET NOZZLE

1шт.

Выбрано товаров: 17