Запчасти Case IH MAXXUM 110 (21.000.00[01]) - SECTION INDEX - TRANSMISSION (21) - TRANSMISSION

Схема запчастей Case IH MAXXUM 110 - (21.000.00[01]) - SECTION INDEX - TRANSMISSION (21) - TRANSMISSION
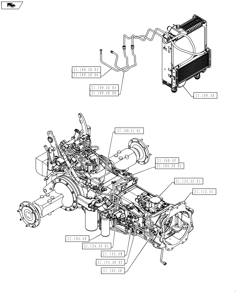
21.109.ad 04
31.104.ar 02
21.104.ak
21.134.am
21.109.ak
21.134.ad 01
21.134.ad 03
21.112.ac
21.160.ap
21.109.ad 06
21.109.ad 06
21.109.ad 04
27.100.ai 02
21.104.ad
home
21.134.ac 01
FIT
1:1
100%