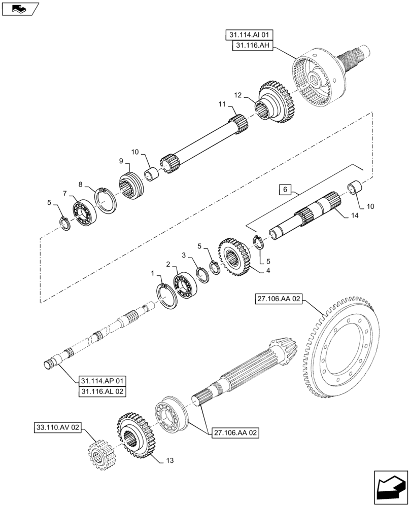
Запчасти Case IH MAXXUM 110 (31.104.BA[02]) - VAR - 331802, 332802, 743679 - GROUND SPEED PTO - SHAFTS AND GEARS (31) - IMPLEMENT POWER TAKE OFF

Схема запчастей Case IH MAXXUM 110 - (31.104.BA[02]) - VAR - 331802, 332802, 743679 - GROUND SPEED PTO - SHAFTS AND GEARS (31) - IMPLEMENT POWER TAKE OFF
33.110.av 02
4
7
10
31.114.ai 01
27.106.aa 02
1
13
31.116.ah
31.116.al 02
6
27.106.aa 02
2
5
14
3
9
home
11
12
5
8
31.114.ap 01
5
10
FIT
1:1
100%

Артикул

Название

Примечание

Количество

1

11062176

CIRCLIP,M85, Int

1шт.

2

ST202

BEARING, BALL,45mm ID x 85mm OD x 19mm W

1шт.

3

11386774

SNAP RING,M45, Ext

1шт.

4

47127357

GEAR,36T

1шт.

5

5138419

SNAP RING,M50

3шт.

6

47132560

SHAFT

Incl 10, 14

1шт.

7

26794660

BALL BEARING,50.00mm x 90.00mm x 20.00mm

1шт.

8

11062476

SNAP RING,M90, Int

1шт.

9

5192211

SLEEVE

1шт.

10

5107725

BUSHING,31.99mm ID x 36mm OD x 25mm L

2шт.

11

47127358

DRIVE SHAFT,327mm L

1шт.

12

5198546

HUB,50T

1шт.

13

5198800

GEAR,37T

1шт.

14

NSS

NOT SOLD SEPARAT

Shaft, Incl in 6

1шт.

Выбрано товаров: 14