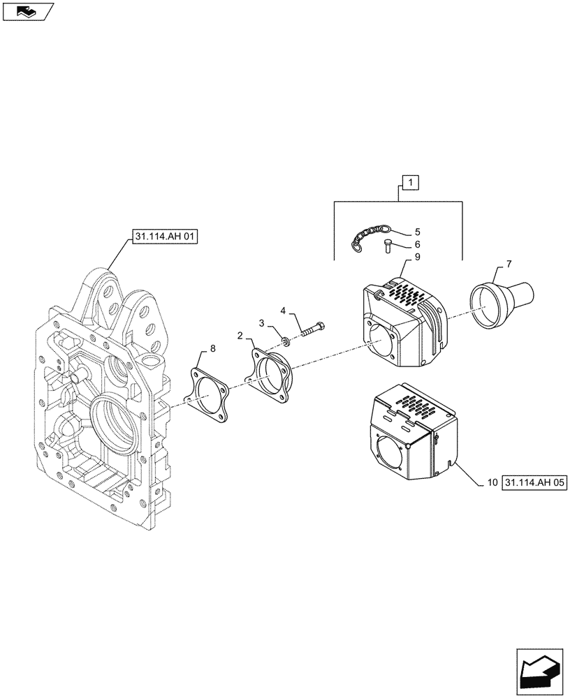
Запчасти Case IH MAXXUM 110 (31.114.AH[03]) - VAR - 330915, 330937, 330937, 331943, 331945 + STD - PTO 540/1000 RPM - PTO SHAFT COVER (31) - IMPLEMENT POWER TAKE OFF

Схема запчастей Case IH MAXXUM 110 - (31.114.AH[03]) - VAR - 330915, 330937, 330937, 331943, 331945 + STD - PTO 540/1000 RPM - PTO SHAFT COVER (31) - IMPLEMENT POWER TAKE OFF
31.114.ah 05
2
4
5
3
10
9
6
8
1
7
31.114.ah 01
home
FIT
1:1
100%

Артикул

Название

Примечание

Количество

1

82024034

GUARD

Incl 5, 6, 9, Serial Range: -C7183

1шт.

2

5155332

SEAL PROTECTION,115mm ID x 122mm OD x 29mm Thk

1шт.

3

12601374

WAVE WASHER,Wave, 8.40mm ID x 15.00mm OD x 0.80mm, 3.00mm, CST, DAC

4шт.

4

14306324

HEX SOC SCREW,M8 x 1.25 x 20mm, Cl 8.8, Full Thd

4шт.

5

82024033

CHAIN

, Serial Range: -C7183

1шт.

6

82026318

COTTER PIN,1/8 x 2 5/16

, Serial Range: -C7183

1шт.

7

47125899

COVER,109mm L

1шт.

8

47131825

GUARD

1шт.

9

NSS

NOT SOLD SEPARAT

Guard, Incl in 1, Serial Range: -C7183

1шт.

10

84568331

COVER

, Start Serial: D7183

1шт.

Выбрано товаров: 10