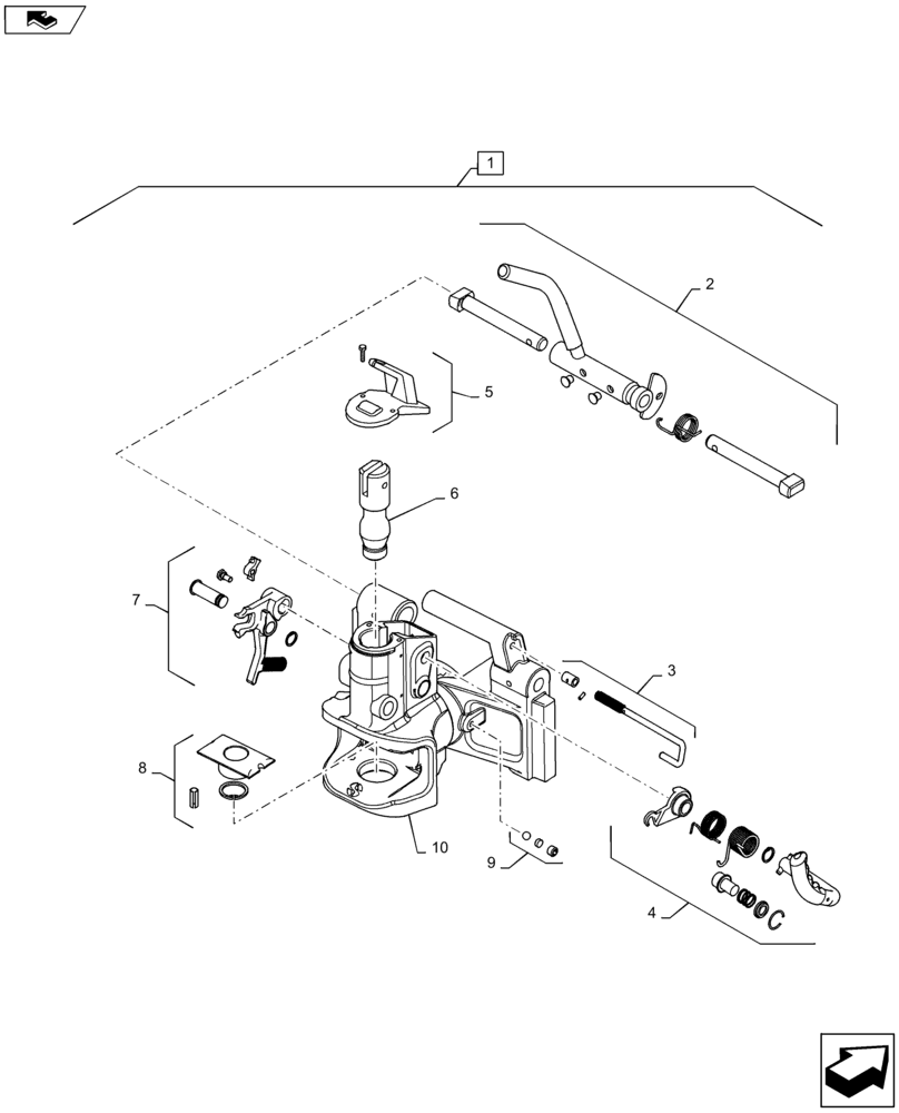
Запчасти Case IH MAXXUM 110 (37.106.AA[02]) - VAR - 330938, 330939, 330955 - TOW HOOK 32MM/38MM BREAKDOWN (37) - HITCHES, DRAWBARS & IMPLEMENT COUPLINGS

Схема запчастей Case IH MAXXUM 110 - (37.106.AA[02]) - VAR - 330938, 330939, 330955 - TOW HOOK 32MM/38MM BREAKDOWN (37) - HITCHES, DRAWBARS & IMPLEMENT COUPLINGS
3
6
home
10
4
1
5
7
8
9
2
FIT
1:1
100%

Артикул

Название

Примечание

Количество

1

82029387

TOW HOOK

Incl 2 - 10, 38mm, VAR 330939, 330955

1шт.

1

82028805

TOW HOOK

Incl 2 - 10, 32mm, VAR 330938

1шт.

2

84364247

LATCH

1шт.

3

84364248

ROD

1шт.

4

84364249

LEVER

1шт.

5

84364250

COVER

1шт.

6

84366583

HITCH PIN

38 mm

1шт.

6

84364251

PIN

32 mm

1шт.

7

84364252

LEVER

1шт.

8

84364253

WEAR PLATE

1шт.

9

84364254

PREV TORQUE BOLT

1шт.

10

NSS

NOT SOLD SEPARAT

Tow Hook, Incl in 1

1шт.

Выбрано товаров: 12