Запчасти Case IH MAXXUM 110 (55.000.00[03]) - SECTION INDEX - ELECTRICAL SYSTEMS (55) - ELECTRICAL SYSTEMS

Схема запчастей Case IH MAXXUM 110 - (55.000.00[03]) - SECTION INDEX - ELECTRICAL SYSTEMS (55) - ELECTRICAL SYSTEMS
home
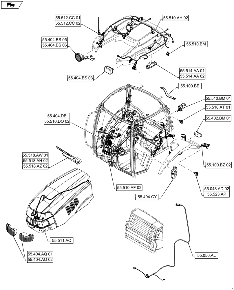
55.404.db
55.100.bz 02
55.512.cc 01
55.518.ah 02
55.518.az 02
55.050.al
55.514.aa 01
55.518.at 01
55.404.bs 03
55.510.bm
55.404.cy
55.100.be
55.402.bm 01
55.048.ad 02
55.404.bs 05
55.404.aq 02
55.510.ah 02
55.511.ac
55.514.aa 02
55.510.bm 01
55.518.aw 01
55.404.aq 01
55.510.do 02
55.510.af 02
55.523.ap
55.404.bs 06
55.512.cc 02
FIT
1:1
100%