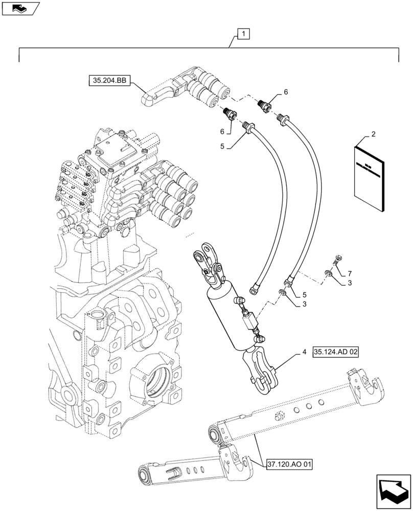
Запчасти Case IH MAXXUM 110 (88.100.35[07]) - REAR, DIA KIT - REAR HYDRAULIC ADJUSTABLE RH LIFT LINK 16X16 (88) - ACCESSORIES

Схема запчастей Case IH MAXXUM 110 - (88.100.35[07]) - REAR, DIA KIT - REAR HYDRAULIC ADJUSTABLE RH LIFT LINK 16X16 (88) - ACCESSORIES
3
7
home
6
4
37.120.ao 01
3
35.204.bb
6
1
5
2
5
35.124.ad 02
FIT
1:1
100%

Артикул

Название

Примечание

Количество

1

718485014

DIA KIT, TRACTOR

Rear Hydraulic Adjustable RH Lift Link, 16x16, Incl 2 - 7

1шт.

Refer to Installation Instruction for Correct Assembly Procedure

1шт.

2

87475716

INSTRUCTION

1шт.

3

5167639

SEALING WASHER,13.4mm ID x 24mm OD x 1.5mm Thk

4шт.

4

47134361

LIFT LINK

1шт.

5

47135530

HOSE,950mm L

2шт.

6

5101741

QUICK MALE COUPLING

2шт.

7

10184411

BANJO BOLT,M16 x 1.5 x 31mm, R50

2шт.

Выбрано товаров: 8