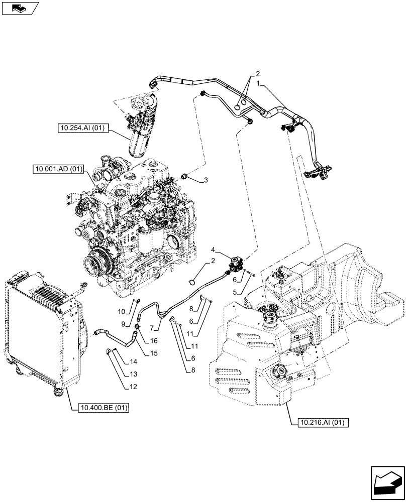
Запчасти Case IH MAXXUM 110 (10.500.AD) - VAR - 390283 - DEF/ADBLUE LINES (10) - ENGINE

Схема запчастей Case IH MAXXUM 110 - (10.500.AD) - VAR - 390283 - DEF/ADBLUE LINES (10) - ENGINE
11
9
6
8
home
10.001.ad (01)
10.216.ai (01)
14
11
1
10
10.254.ai (01)
3
5
4
15
8
2
2
7
16
12
10.400.be (01)
13
6
6
FIT
1:1
100%

Артикул

Название

Примечание

Количество

1

47360854

FUEL HOSE

1шт.

2

9994404

HOSE CLIP

3шт.

3

84291210

ADAPTER

1шт.

4

84291579

HEATER VALVE

1шт.

5

120061

BOLT,Hex, M8 x 60mm L, Cl 8.8

3шт.

6

86624184

WASHER,9mm ID x 16mm OD x 1.6mm Thk

5шт.

7

84594789

HEATER HOSE

1шт.

8

86625036

CLAMP,12.7mm, Coat, 8.7mm Bolt Hole, P Type

2шт.

9

10418401

RETAINER,12mm, Coat, 7mm Bolt Hole, P Type

1шт.

10

15896211

NUT,M6, Cl 8

1шт.

11

120103

BOLT,M8 x 1.25 x 16mm, Cl 8.8

2шт.

12

87552802

CLAMP,19mm, Coat, 7.1mm Bolt Hole, P Type

2шт.

13

87664048

WASHER,6.6mm ID x 12mm OD x 1.6mm Thk

2шт.

14

86508568

BOLT,Hex, M6 x 1 x 16mm, Cl 8.8

2шт.

15

84591935

AIR INTAKE TUBE,15.5mm ID x mm L

1шт.

16

82019905

HOSE CLAMP,22 - 26mm X 12mm

1шт.

Выбрано товаров: 16