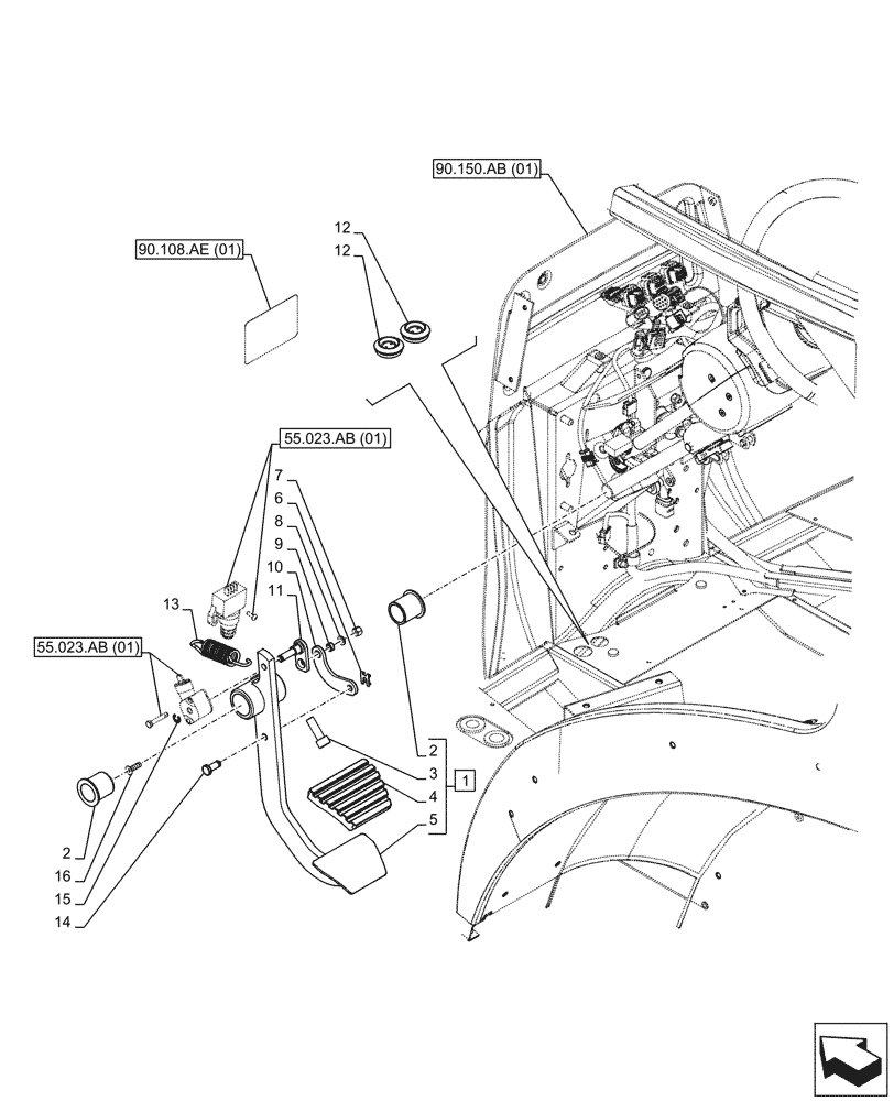
Запчасти Case IH MAXXUM 110 (18.100.AF[02]) - VAR - 390283 - CLUTCH, PEDAL - BEGIN YR 07-NOV-2013 (18) - CLUTCH

Схема запчастей Case IH MAXXUM 110 - (18.100.AF[02]) - VAR - 390283 - CLUTCH, PEDAL - BEGIN YR 07-NOV-2013 (18) - CLUTCH
12
55.023.ab (01)
5
10
3
7
14
16
11
8
90.108.ae (01)
4
55.023.ab (01)
15
9
6
12
2
90.150.ab (01)
13
2
1
FIT
1:1
100%

Артикул

Название

Примечание

Количество

1

47410632

PEDAL

ASSY, Incl 2 - 5

1шт.

2

5155548

BUSHING,25mm ID x 31.05mm OD x 32mm L

2шт.

3

14307521

HEX SOC SCREW,M10 x 1.25 x 30mm, Cl 8.8, Full Thd

1шт.

4

82025747

RUBBER PEDAL PAD

1шт.

5

NSS

NOT SOLD SEPARAT

Pedal, Incl in 1

1шт.

6

11064071

CLIP,M8 x 6 x 0.94mm

1шт.

7

12574211

NUT,M6 x 1, Cl 8

1шт.

8

14496401

WASHER,M6.4 x 12.00mm x 1.60mm

1шт.

9

84487411

SPACER,6mm ID x 10mm OD x 4.4mm L

1шт.

10

84482495

LINK

1шт.

11

84482499

SHAFT,8mm OD x 42mm L

1шт.

12

81862738

PLUG,M38 x 28 x 5mm

2шт.

13

84561533

SPRING,22.5mm OD x 99mm L

1шт.

14

47409216

PIN,8mm OD x 23.7mm L

1шт.

15

11087876

CIRCLIP,M7

1шт.

16

14441421

SCREW,Flat Csk Hd, M6 x 20mm, Cl 8.8

1шт.

Выбрано товаров: 16