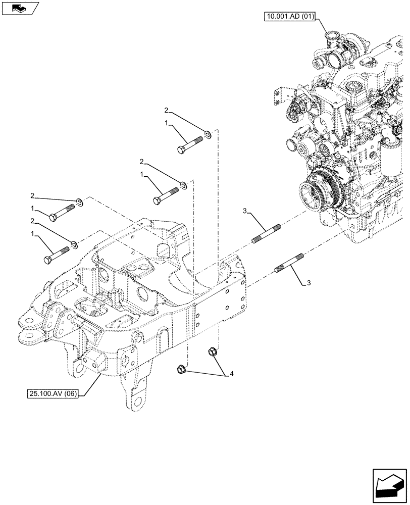
Запчасти Case IH MAXXUM 110 (25.100.AV[06]) - VAR - 333648, 336831, 743699, 743700 - HYDRAULIC LIFT, SUPPORT (25) - FRONT AXLE SYSTEM

Схема запчастей Case IH MAXXUM 110 - (25.100.AV[06]) - VAR - 333648, 336831, 743699, 743700 - HYDRAULIC LIFT, SUPPORT (25) - FRONT AXLE SYSTEM
10.001.ad (01)
2
25.100.av (06)
1
2
3
1
1
1
3
2
4
2
FIT
1:1
100%

Артикул

Название

Примечание

Количество

1

82029234

BOLT,Hex, M20 x 1.5 x 125mm, Cl 12.9

4шт.

2

82028022

WASHER,M8 x 1.25 ID x 40mm OD x 9mm Thk, CRLC or HRLC Steel

4шт.

3

87301866

STUD,M20 x 1.5 x 170mm, Cl 10.9

2шт.

4

82023393

LOCK NUT

2шт.

Выбрано товаров: 4