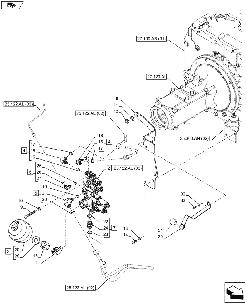
Запчасти Case IH MAXXUM 110 (25.122.AL[01]) - VAR - 330414, 330427, 330429, 330430 - SUSPENDED FRONT AXLE, CONTROL VALVE (25) - FRONT AXLE SYSTEM

Схема запчастей Case IH MAXXUM 110 - (25.122.AL[01]) - VAR - 330414, 330427, 330429, 330430 - SUSPENDED FRONT AXLE, CONTROL VALVE (25) - FRONT AXLE SYSTEM
35.300.an (02)
20
25
18
13
home
1
32
7
3
10
27
9
31
6
17
4
23
30
15
24
2
18
22
26
16
16
33
11
17
12
21
19
28
4
8
14
5
29
25.122.al (02)
25.122.al (02)
25.122.al (02)
27.120.ai
27.100.ab (01)
25.122.al (03)
FIT
1:1
100%

Артикул

Название

Примечание

Количество

1

86639055

45 ELBOW,45 Degree, 1 3/16"-12 ORFS x M27 x 2 ORB

1шт.

2

84486845

VALVE SECTION

ASSY

1шт.

3

82025705

ACCUMULATOR

ASSY, Incl 28, 29

1шт.

4

86579689

ELBOW,90 Degree, 13/16" - 16 ORFS x M14 x 1.5 ORB

ASSY, Incl 16 - 18

2шт.

5

86579693

ELBOW,90 Degree, 1"-14 ORFS x M18 x 1.5 ORB

ASSY, Incl 19 - 21

1шт.

6

84431522

ELBOW,90 Degree, 9/16"-18 ORFS x M12 x 1.5 ORB

ASSY, Incl 25 - 27

1шт.

7

86579682

HYD CONNECTOR,1-3/16" - 12 ORFS x M27 x 2 ORB

ASSY, Incl 22 - 24

1шт.

8

47520640

SUPPORT

1шт.

9

43158

BOLT,Hex, M12 x 80mm, Cl 8.8

2шт.

10

14496721

WASHER,13mm ID x 24mm OD x 2.5mm Thk

2шт.

11

13550624

WASHER,14.4mm ID x 28mm OD x 3mm Thk

1шт.

12

12164024

NUT,Hex, M14 x 1.5mm Pitch, Cl 10, DAC

1шт.

13

12648304

WASHER,10.2mm ID x 17mm OD x 1.5mm Thk

2шт.

14

87520953

SCREW,Hex, M10 x 22mm, Cl 8.8

2шт.

15

47509712

ADAPTER

1шт.

16

86598099

O-RING,2.2mm Thk x 11.3mm ID, Cl 6

2шт.

17

9992298

O-RING,0.07" Thk x 0.489" ID, -14, Cl 6, 90 Duro

2шт.

18

NSS

NOT SOLD SEPARAT

90° Fitting, Incl in 4

2шт.

19

86598101

O-RING,2.2mm Thk x 15.3mm ID, Cl 6, 90 Duro

1шт.

20

9992069

O-RING,0.07" Thk x 0.614" ID, -16, Cl 6, 90 Duro

1шт.

21

NSS

NOT SOLD SEPARAT

90° Fitting, Incl in 5

1шт.

22

86598103

O-RING,2.9mm Thk x 23.6mm ID, Cl 6, 90 Duro

1шт.

23

9991976

O-RING,0.07" Thk x 0.739" ID, -18, Cl 6, 90 Duro

1шт.

24

NSS

NOT SOLD SEPARAT

Straight Fitting, Incl in 7

1шт.

25

86598098

O-RING,2.2mm Thk x 9.3mm ID, Cl 6, 90 Duro

1шт.

26

9825770

O-RING,0.07" Thk x 0.301" ID, -11, Cl 6, 90 Duro

1шт.

27

NSS

NOT SOLD SEPARAT

90° Fitting, Incl in 6

1шт.

28

14438285

O-RING,29.5mm ID x 3.0mm

1шт.

29

NSS

NOT SOLD SEPARAT

Accumulator, Incl in 3

1шт.

30

47534117

BRACKET

1шт.

31

10183717

PLUG,Cap, M28 x 1.5

1шт.

32

12643701

WASHER,6.15mm ID x 18mm OD x 1.5mm Thk

1шт.

33

120100

BOLT,M6 x 20mm, Cl 8.8

1шт.

Выбрано товаров: 33