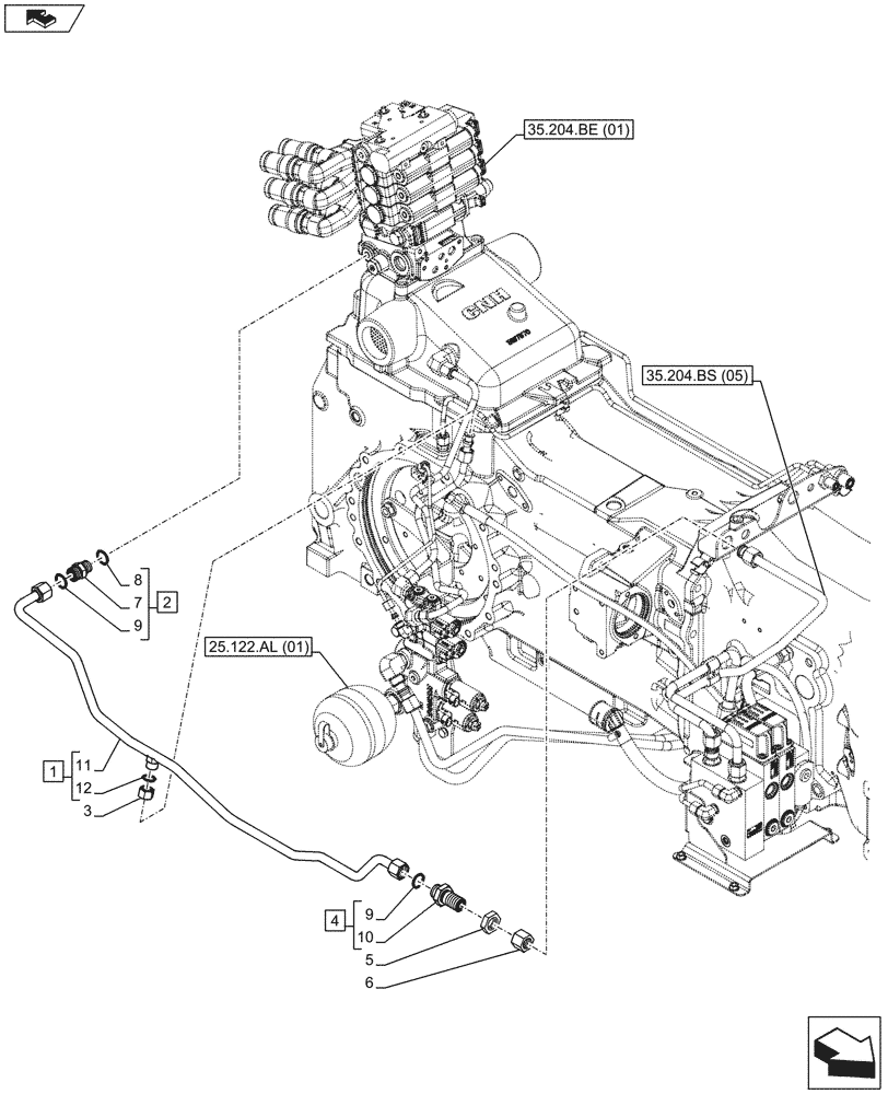
Запчасти Case IH MAXXUM 110 (25.122.AM) - VAR - 330414, 330427, 330429, 330430, 743689, 743690 - HYDRAULIC TRANSMISSION CONTROL (25) - FRONT AXLE SYSTEM

Схема запчастей Case IH MAXXUM 110 - (25.122.AM) - VAR - 330414, 330427, 330429, 330430, 743689, 743690 - HYDRAULIC TRANSMISSION CONTROL (25) - FRONT AXLE SYSTEM
35.204.bs (05)
5
12
2
7
1
9
10
6
11
9
8
home
9
3
4
35.204.be (01)
25.122.al (01)
FIT
1:1
100%

Артикул

Название

Примечание

Количество

1

47561117

PIPE

ASSY, Incl 11, 12

1шт.

2

86579680

HYD CONNECTOR,1"-14 ORFS x M22 x 1.5mm ORB

ASSY, Incl 7 - 9 (Qty 1)

1шт.

3

47123020

PLUG,Hex

1шт.

4

86978771

UNION,16mm L

ASSY, Incl 9 (Qty 1), 10

1шт.

5

86639085

BHD LOCK NUT,1"-14, Bulkhead

1шт.

6

83987627

CAP,1-14UN-2A

1шт.

7

NSS

NOT SOLD SEPARAT

Straight Fitting, Incl in 2

1шт.

8

86598102

O-RING,2.2mm Thk x 19.3mm ID, Cl 6, 90 Duro

1шт.

9

9992069

O-RING,0.07" Thk x 0.614" ID, -16, Cl 6, 90 Duro

2шт.

10

NSS

NOT SOLD SEPARAT

Straight Fitting, Incl in 4

1шт.

11

NSS

NOT SOLD SEPARAT

Tube, Incl in 1

1шт.

12

9992298

O-RING,0.07" Thk x 0.489" ID, -14, Cl 6, 90 Duro

1шт.

Выбрано товаров: 12