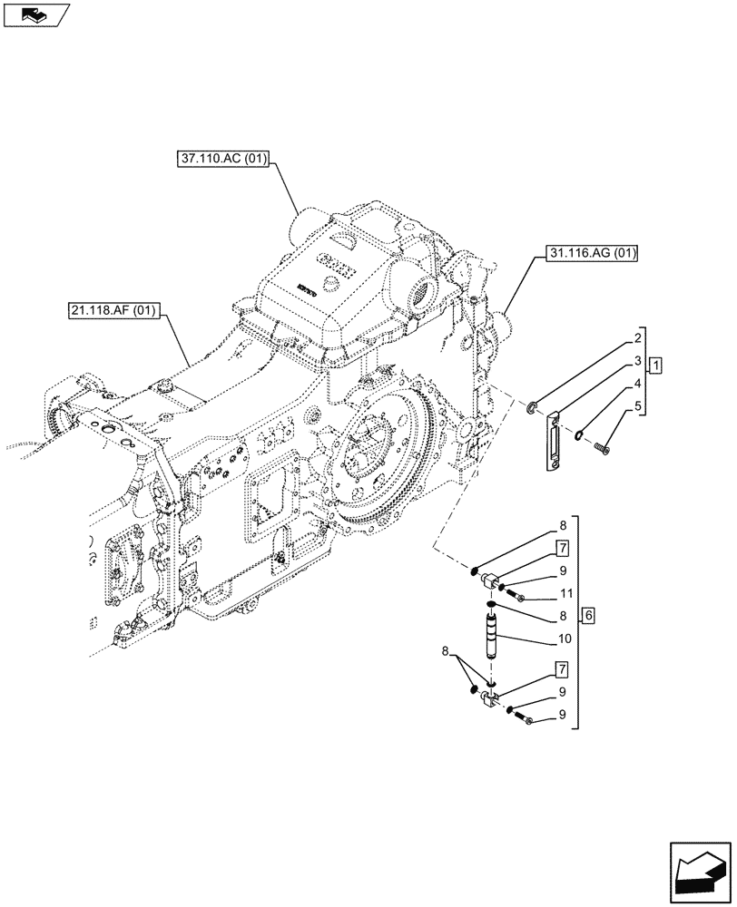
Запчасти Case IH MAXXUM 110 (27.100.AB[04]) - VAR - 390283 - HOUSING, OIL, LEVEL INDICATOR (27) - REAR AXLE SYSTEM

Схема запчастей Case IH MAXXUM 110 - (27.100.AB[04]) - VAR - 390283 - HOUSING, OIL, LEVEL INDICATOR (27) - REAR AXLE SYSTEM
31.116.ag (01)
3
9
5
8
9
7
6
11
8
1
4
7
2
10
8
9
21.118.af (01)
home
37.110.ac (01)
FIT
1:1
100%

Артикул

Название

Примечание

Количество

1

87601120

INDICATOR

ASSY, Incl 2 - 5

1шт.

2

87349969

RUBBER SEAL

2шт.

3

NSS

NOT SOLD SEPARAT

Plate, Incl in 1

1шт.

4

47130060

O-RING

2шт.

5

47130059

SCREW,Pan HD, M12 x 41mm

2шт.

6

87323126

INDICATOR

ASSY, Incl 7 - 11

1шт.

7

87633061

ELEC CONNECTOR

ASSY, Incl 8 (Q.ty 1), 9

2шт.

8

14457181

O-RING,0.103" Thk x 0.549" ID, -113, Cl 5, 75 Duro

2шт.

9

14456881

O-RING,0.362" ID x 0.103" Width

1шт.

10

NSS

NOT SOLD SEPARAT

Pipe, Incl in 6

1шт.

11

87633060

SCREW

2шт.

Выбрано товаров: 11