Качественные детали и логистика
Оригинальные и аналоговые запчасти с доставкой по России, Казахстану и Беларуси
©2022 PartSell ООО "Система" ИНН 2463123282 ОГРН 1212400004838
Центральный офис: г. Красноярск, Академика Киренского, д.87, пом.4
Телефон: 8 (800) 777-65-74 Email: zakaz@partsell.ru
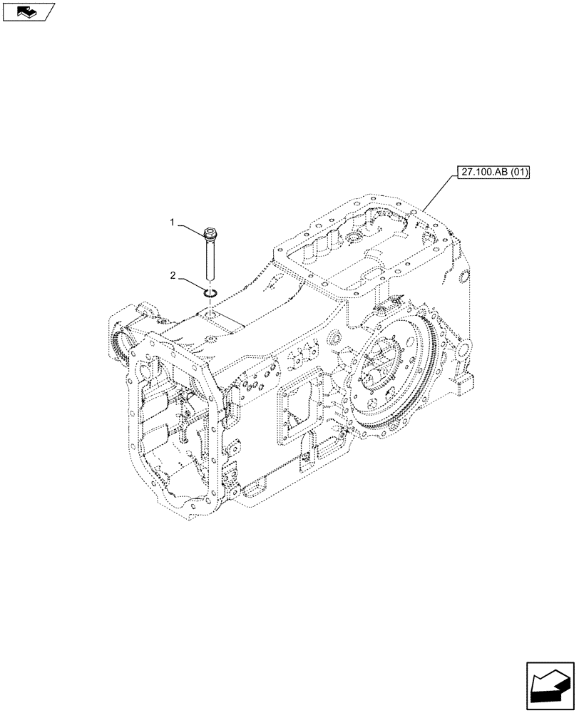
(27.100.AI[01]) - VAR - 390283 - REAR AXLE, HOUSING, BREATHER
№
Артикул
Название
Примечание
Количество
1
47133085
BREATHER
1шт.
2
10262160
SEAL,M28.4 x 34 x 2, Copper
Выбрано товаров: 0