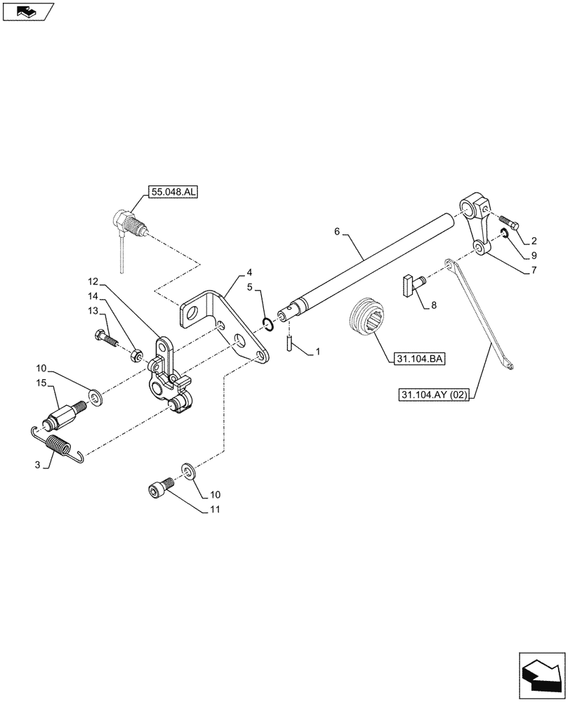
Запчасти Case IH MAXXUM 110 (31.104.AY[01]) - VAR - 332801, 335788, 744740 - POWER TAKE-OFF, LEVER (31) - IMPLEMENT POWER TAKE OFF

Схема запчастей Case IH MAXXUM 110 - (31.104.AY[01]) - VAR - 332801, 335788, 744740 - POWER TAKE-OFF, LEVER (31) - IMPLEMENT POWER TAKE OFF
31.104.ay (02)
1
10
11
5
7
14
3
13
4
12
10
15
6
8
home
9
2
55.048.al
31.104.ba
FIT
1:1
100%

Артикул

Название

Примечание

Количество

1

14604271

PIN,M6 x 32, Coiled

1шт.

2

44013453

SCREW,Hex, M12 x 1.25 x 33mm

1шт.

3

47435637

SPRING

1шт.

4

47127446

SUPPORT

1шт.

5

14457280

O-RING,0.103" Thk x 0.612" ID, -114, Cl 5, 75 Duro

1шт.

6

47127553

PIN

1шт.

7

5192254

LEVER

1шт.

8

5192512

BLOCK

1шт.

9

11064171

SPRING CLIP,M10 x 8

1шт.

10

11190574

BELLEVILLE WASHER,M10 Bolt Size x 20mm OD x 2.3mm Thk

2шт.

11

14360121

HEX SOC SCREW,M10 x 1.25 x 22mm, Cl 8.8, Full Thd

1шт.

12

47436136

LEVER

1шт.

13

16043924

BOLT,Hex, M8 x 1.25 x 35mm, Cl 8.8, Full Thd

1шт.

14

16100814

NUT,M8, Cl 8, DAC

1шт.

15

47127576

PIN

1шт.

Выбрано товаров: 15