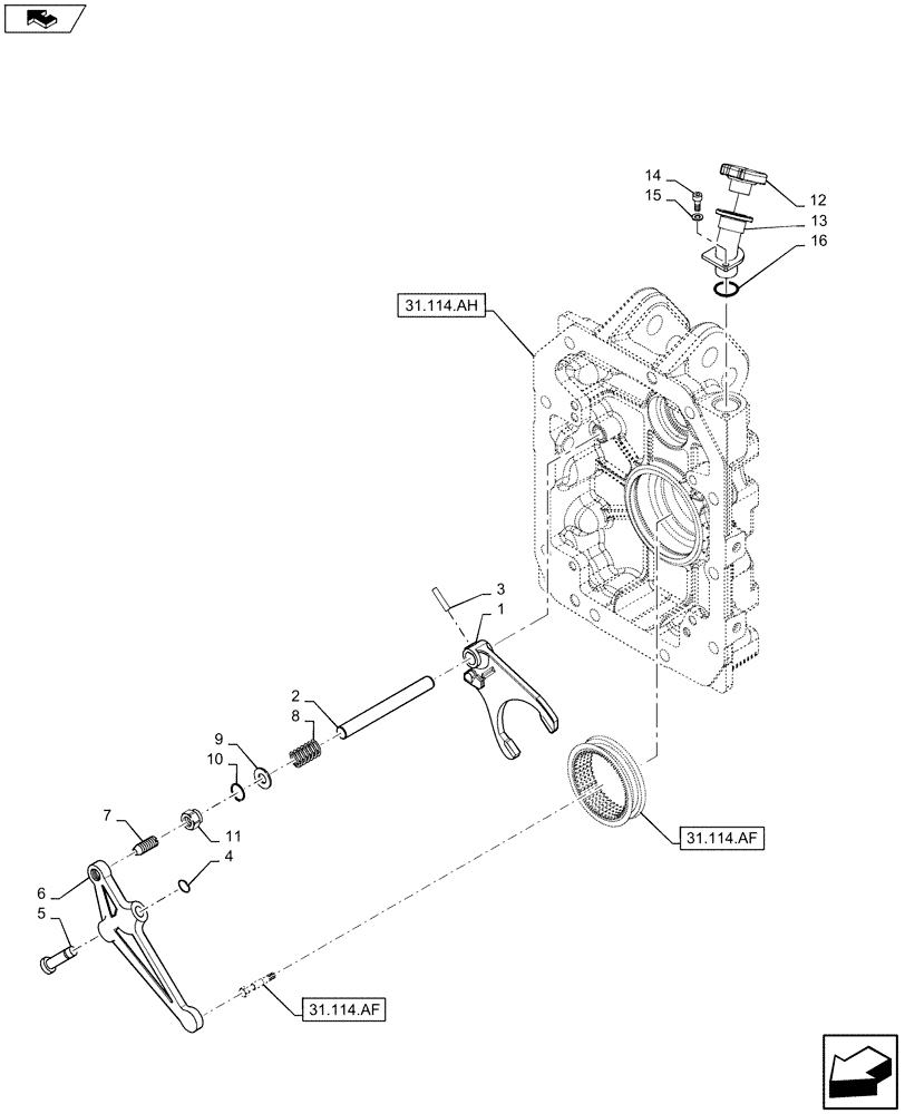
Запчасти Case IH MAXXUM 110 (31.114.AO) - VAR - 330800 - POWER TAKE-OFF (PTO) - SPEED CONTROL LEVER (31) - IMPLEMENT POWER TAKE OFF

Схема запчастей Case IH MAXXUM 110 - (31.114.AO) - VAR - 330800 - POWER TAKE-OFF (PTO) - SPEED CONTROL LEVER (31) - IMPLEMENT POWER TAKE OFF
7
16
4
8
14
12
10
9
15
31.114.ah
6
13
5
11
1
31.114.af
31.114.af
3
2
FIT
1:1
100%

Артикул

Название

Примечание

Количество

1

5197556

SHIFTER FORK,102mm Int, 2 Speed

1шт.

2

5192165

ROD,16mm OD x 159mm L

1шт.

3

13910370

ROLL PIN,6mm OD x 30mm L

1шт.

4

11065976

CIRCLIP,M10, Ext

10MM CSS BLO

1шт.

5

5198749

PIN,9.6mm OD x 52.5mm L

1шт.

6

5197557

LEVER

1шт.

7

5193077

SPECIAL PIN,M12

1шт.

8

5193076

SPRING,Compression, 21.5mm OD x 91mm L

1шт.

9

13507701

WASHER,16.4mm ID x 27mm OD x 2mm Thk

16.4 X 2 7 X2 MM CST ZND

1шт.

10

300625

SNAP RING,M16, Ext

1шт.

11

16103614

THIN NUT,Thin, M12, 1.25 Pitch, Cl 04

M12X1.25 04 DAC DIN

1шт.

12

82005372

FILLER CAP,Male, Vented_No Lockable

ASSY

1шт.

13

47135307

FILLER

1шт.

14

14306324

HEX SOC SCREW,M8 x 1.25 x 20mm, Cl 8.8, Full Thd

M8X20 FULL 8.8 DAC

1шт.

15

11193874

BELLEVILLE WASHER,M8 Bolt Size x 16mm OD x 1.4mm Thk

8.4X16X1.4X1.85 DAC

1шт.

16

14458280

O-RING,31.42mm ID x 2.62mm

62X31,42

1шт.

Выбрано товаров: 16