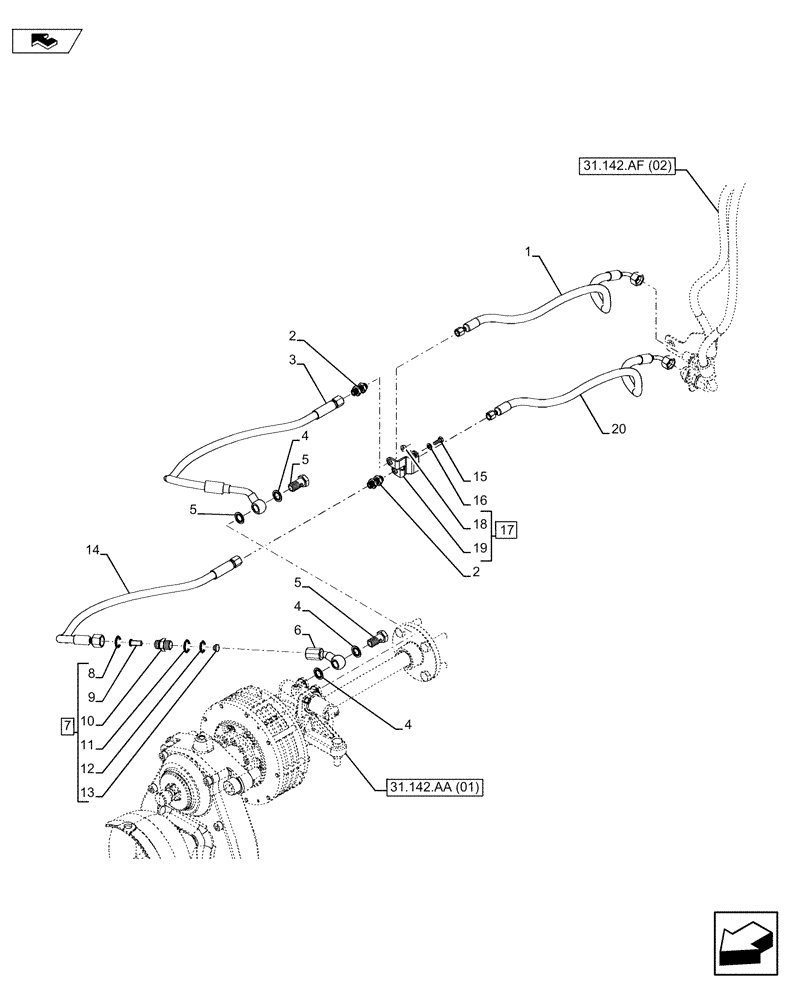
Запчасти Case IH MAXXUM 110 (31.142.AF[01]) - VAR - 333648, 334648, 743700 - FRONT PTO, HYD. LINE (31) - IMPLEMENT POWER TAKE OFF

Схема запчастей Case IH MAXXUM 110 - (31.142.AF[01]) - VAR - 333648, 334648, 743700 - FRONT PTO, HYD. LINE (31) - IMPLEMENT POWER TAKE OFF
10
4
6
31.142.af (02)
5
16
5
4
11
12
1
2
3
20
13
18
9
2
4
5
17
19
14
home
8
7
31.142.aa (01)
15
FIT
1:1
100%

Артикул

Название

Примечание

Количество

1

84564989

HOSE,6.4mm ID x 1100mm L, SAE 100R2

FPTO Backflow

1шт.

2

86508628

FITTING,Blkhd, 7/16"-20, 37 Degree x 7/16"-20, 37 Degree

2шт.

3

47439014

FLEXIBLE HOSE,6.35mm ID x 736mm L, SAE 100R2

Front PTO

1шт.

4

5167639

SEALING WASHER,13.4mm ID x 24mm OD x 1.5mm Thk

4шт.

5

10184411

BANJO BOLT,M16 x 1.5 x 31mm, R50

2шт.

6

47057815

TUBE

1шт.

7

47127491

HYD CONNECTOR,M10 x 1 x 7.4mm L

ASSY, Incl 8 - 13

1шт.

8

5185510

O-RING,1.78mm Thk x 9.25mm ID, 85 Duro

1шт.

9

47126655

FILTER STRAINER

1шт.

10

47127332

ORIFICE,M10 x 1

1шт.

11

14437885

O-RING,13.30mm ID x 2.40mm

1шт.

12

14437585

O-RING,8.00mm ID x 1.50mm

1шт.

13

47127489

HYD CONNECTOR,11/16"-16, M16 x 1.5

1шт.

14

47439013

FLEXIBLE HOSE,6.3mm ID x 660mm L, SAE 100R2

Front PTO

1шт.

15

86508568

BOLT,Hex, M6 x 1 x 16mm, Cl 8.8

2шт.

16

86588450

WASHER,6.6mm ID x 12mm OD x 1.6mm Thk

2шт.

17

47447502

BRACKET

ASSY, Incl 18 - 19

1шт.

18

86639234

NUT,Weld, M6

2шт.

19

47438931

BRACKET

1шт.

20

84565039

HOSE,6.4mm ID x 1200mm L, SAE 100R2

FPTO Forerun

1шт.

Выбрано товаров: 20