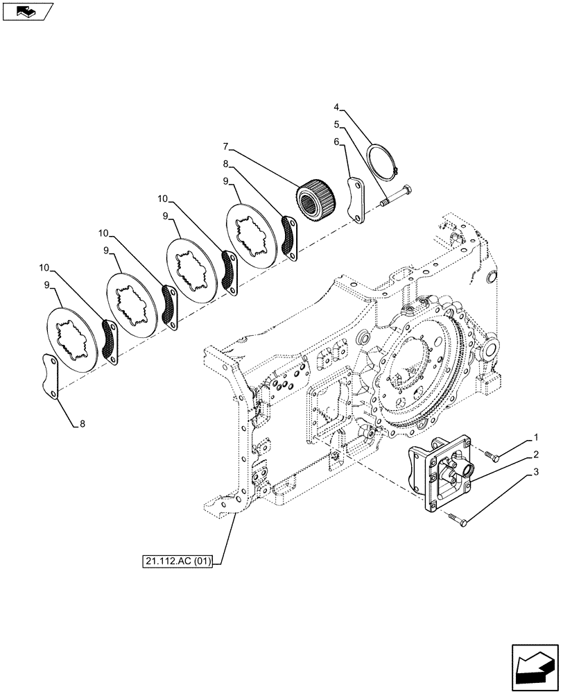
Запчасти Case IH MAXXUM 110 (33.110.AV) - VAR - 390283 - PARKING BRAKE, DISC (33) - BRAKES & CONTROLS

Схема запчастей Case IH MAXXUM 110 - (33.110.AV) - VAR - 390283 - PARKING BRAKE, DISC (33) - BRAKES & CONTROLS
3
10
9
4
home
7
10
9
5
6
9
8
10
21.112.ac (01)
9
1
2
8
FIT
1:1
100%

Артикул

Название

Примечание

Количество

1

15970924

SCREW,Hex, M10 x 1.25 x 35mm, Cl 8.8

4шт.

2

47127186

SUPPORT

1шт.

3

11234724

BOLT,Hex, M10 x 1.25 x 45, 8.8

2шт.

4

11071876

SNAP RING,M100, Ext

1шт.

5

47421067

SET SCREW

2шт.

6

47127226

BRAKE PAD,9mm Thk

1шт.

7

47127223

HUB,34T

1шт.

8

5199607

BRAKE PAD,3.1mm Thk

2шт.

9

47127225

BRAKE DISC

4шт.

10

5199788

BRAKE PAD,4.2mm Thk

3шт.

Выбрано товаров: 10