Запчасти Case IH MAXXUM 110 (33.110.BA[01]) - VAR - 390283 - PARKING BRAKE, LEVER (33) - BRAKES & CONTROLS

Схема запчастей Case IH MAXXUM 110 - (33.110.BA[01]) - VAR - 390283 - PARKING BRAKE, LEVER (33) - BRAKES & CONTROLS
6
5
10
20
8
5
13
21
15
4
1
18
33.110.av
8
16
9
12
8
6
21.112.ac (01)
8
2
17
12
11
20
19
14
7
3
FIT
1:1
100%

Артикул

Название

Примечание

Количество

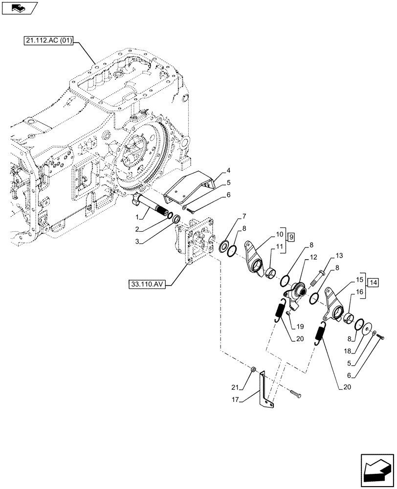
1

87740212

LEVER

1шт.

2

14458080

O-RING,0.103" Thk x 1.11" ID, -122, Cl 5, 75 Duro

1шт.

3

5198146

SHIM,28.1mm ID x 31.9mm OD x 4mm Thk

1шт.

4

87689273

BRACKET

1шт.

5

11190774

BELLEVILLE WASHER,M12 Bolt Size x 24mm OD x 2.8mm Thk

3шт.

6

15540421

SCREW,Hex, M12 x 1.25 x 30mm, Cl 8.8, Full Thd

3шт.

7

87689269

SHIM,28mm ID x 59mm OD x 3.7mm Thk

1шт.

8

14455080

O-RING,50.52mm ID x 1.78mm

4шт.

9

87689320

BRAKE LEVER

EPL Lever, ASSY, Incl 10 - 11

1шт.

10

87689266

CONTROL LEVER

EPL Lever

1шт.

11

87689278

BUSHING,40mm ID x 44mm OD x 20mm L

1шт.

12

87689271

HUB

1шт.

13

87741803

SET SCREW,Hex, M16 x 1.25 x 70mm

1шт.

14

87689319

BRAKE LEVER

ASSY, Incl 15 - 16

1шт.

15

87689264

CONTROL LEVER

1шт.

16

87689278

BUSHING,40mm ID x 44mm OD x 20mm L

1шт.

17

84573451

PLATE

1шт.

18

87689270

SHIM,12.5mm ID x 59mm OD x 6.7mm Thk

1шт.

19

10791411

THIN NUT,Thin, M16, 1.50mm Pitch, 8.00mm High, Cl 04, ZND

1шт.

20

5127295

SPRING,Extension, 24mm OD x 100mm L

2шт.

21

87754139

SPACER,11mm ID x 20mm OD x 8mm L

2шт.

Выбрано товаров: 21