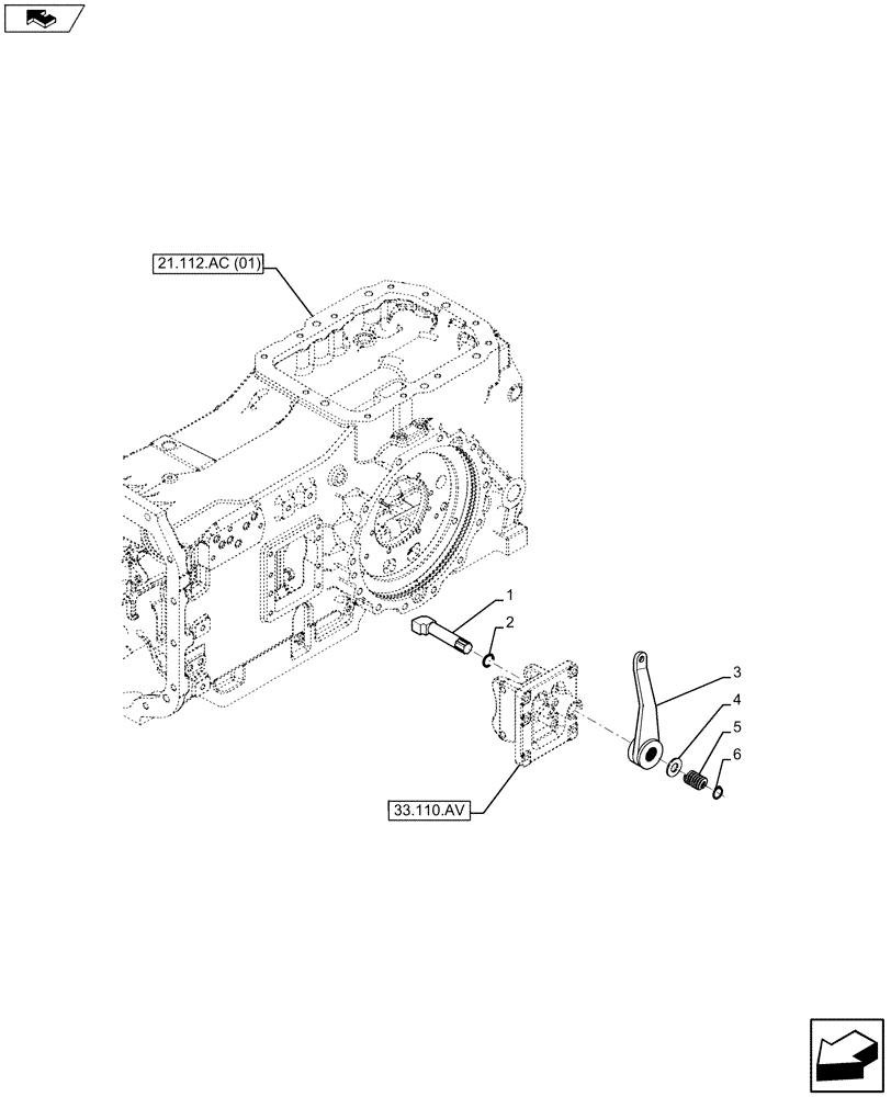
Запчасти Case IH MAXXUM 110 (33.110.BA[02]) - VAR - 390283 - PARKING BRAKE, LEVER (33) - BRAKES & CONTROLS

Схема запчастей Case IH MAXXUM 110 - (33.110.BA[02]) - VAR - 390283 - PARKING BRAKE, LEVER (33) - BRAKES & CONTROLS
3
5
6
2
21.112.ac (01)
4
33.110.av
1
FIT
1:1
100%

Артикул

Название

Примечание

Количество

1

47127313

LEVER

1шт.

2

14458080

O-RING,0.103" Thk x 1.11" ID, -122, Cl 5, 75 Duro

1шт.

3

47130368

LEVER

1шт.

4

5198146

SHIM,28.1mm ID x 31.9mm OD x 4mm Thk

1шт.

5

5178904

SPRING

1шт.

6

11067676

SNAP RING,M28, Ext

1шт.

Выбрано товаров: 6