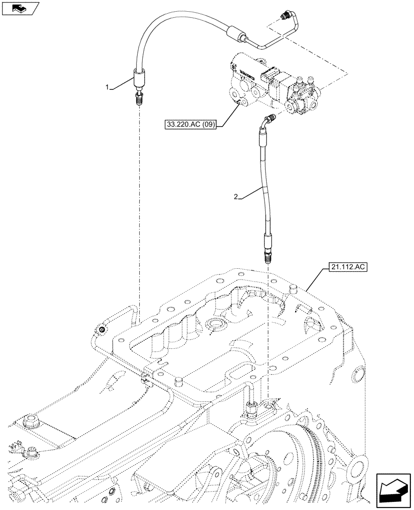
Запчасти Case IH MAXXUM 110 (33.202.AP[01]) - VAR - 744783, 744784, 744785 - BRAKE - HYDR LINES (33) - BRAKES & CONTROLS

Схема запчастей Case IH MAXXUM 110 - (33.202.AP[01]) - VAR - 744783, 744784, 744785 - BRAKE - HYDR LINES (33) - BRAKES & CONTROLS
home
2
1
21.112.ac
33.220.ac (09)
FIT
1:1
100%

Артикул

Название

Примечание

Количество

1

86579675

HYD CONNECTOR,13/16"-16 ORFS x M16 x 1.5 ORB

ASSY, Incl 2 - 3

1шт.

2

9992298

O-RING,0.07" Thk x 0.489" ID, -14, Cl 6, 90 Duro

1шт.

3

86598100

O-RING,2.2mm Thk x 13.3mm ID, Cl 6, 90 Duro

1шт.

4

87722406

HYD CONNECTOR

ASSY, Incl 4 - 6

1шт.

5

87315465

HYD CONNECTOR,13/16"-16 ORFS x 13/16"-16 ORFS x M16 x 1.5 ORB

1шт.

6

14606170

SLOTTED PIN

1шт.

Выбрано товаров: 6