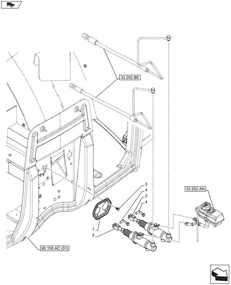
Запчасти Case IH MAXXUM 110 (33.202.AR) - VAR - 330658, 331658, 331659, 332077, 335077, 338928, 391658 - BRAKE, MASTER CYLINDER (33) - BRAKES & CONTROLS

Схема запчастей Case IH MAXXUM 110 - (33.202.AR) - VAR - 330658, 331658, 331659, 332077, 335077, 338928, 391658 - BRAKE, MASTER CYLINDER (33) - BRAKES & CONTROLS
90.150.ac (01)
4
3
home
4
1
2
2
33.202.be
33.202.an
FIT
1:1
100%

Артикул

Название

Примечание

Количество

1

82038628

RETAINER CUP

1шт.

2

87316560

PIN,10mm OD x 23mm L

2шт.

3

84535046

MASTER CYLINDER,31.4mm Stroke

2шт.

4

13632821

CAPTIVE WASHER SCREW,M8 x 25mm

4шт.

Выбрано товаров: 4