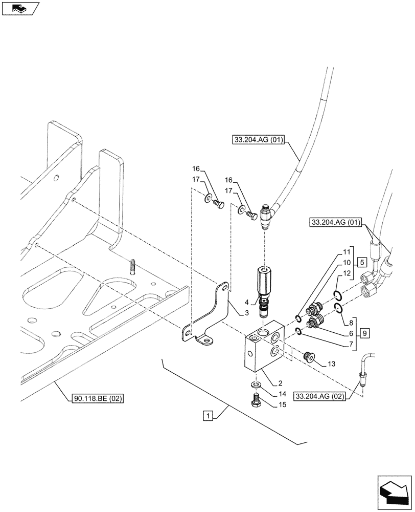
Запчасти Case IH MAXXUM 110 (33.204.AX) - VAR - 330427, 330430 - SUSPENDED FRONT AXLE, BRAKE CONTROL VALVE (33) - BRAKES & CONTROLS

Схема запчастей Case IH MAXXUM 110 - (33.204.AX) - VAR - 330427, 330430 - SUSPENDED FRONT AXLE, BRAKE CONTROL VALVE (33) - BRAKES & CONTROLS
33.204.ag (02)
17
7
5
16
6
17
10
11
15
90.118.be (02)
14
8
9
12
2
16
13
1
home
3
4
33.204.ag (01)
33.204.ag (01)
FIT
1:1
100%

Артикул

Название

Примечание

Количество

1

84566286

BRAKE VALVE

ASSY, Incl 2 - 15

1шт.

2

NSS

NOT SOLD SEPARAT

Body Valve, Incl in 1

1шт.

3

84566289

BRACKET

1шт.

4

47682302

VALVE, PRESSURE CONT

1шт.

5

86579672

HYD CONNECTOR,11/16"-16 ORFS x M16 x 1.5 ORB

ASSY, Incl 10 - 12

1шт.

6

NSS

NOT SOLD SEPARAT

Connector, Incl in 5

1шт.

7

86598099

O-RING,2.2mm Thk x 11.3mm ID, Cl 6

1шт.

8

9992298

O-RING,0.07" Thk x 0.489" ID, -14, Cl 6, 90 Duro

1шт.

9

86579674

HYD CONNECTOR,13/16"-16 ORFS x M14 x 1.5 ORB

ASSY, Incl 6 - 8

1шт.

10

NSS

NOT SOLD SEPARAT

Connector, Incl in 9

1шт.

11

86598100

O-RING,2.2mm Thk x 13.3mm ID, Cl 6, 90 Duro

1шт.

12

9993141

O-RING,0.07" Thk x 0.364" ID, -12, Cl 6, 90 Duro

1шт.

13

10119311

PLUG,M16 x 1.5 x 12, Cl5.8

2шт.

14

11190574

BELLEVILLE WASHER,M10 Bolt Size x 20mm OD x 2.3mm Thk

1шт.

15

11106021

BOLT,Hex, M10 x 1.5 x 20 mm, Cl 8.8, Full Thd

1шт.

16

16043221

BOLT,Hex, M8 x 16mm, Cl 8.8, Full Thd

2шт.

17

86625263

WASHER,9mm ID x 20mm OD x 1.6mm Thk

2шт.

Выбрано товаров: 0