Запчасти Case IH MAXXUM 110 (33.220.AC[03]) - VAR - 331723, 332302, 744785 - BRAKE, PLUG (33) - BRAKES & CONTROLS

Схема запчастей Case IH MAXXUM 110 - (33.220.AC[03]) - VAR - 331723, 332302, 744785 - BRAKE, PLUG (33) - BRAKES & CONTROLS
4
1
home
21.112.ac (01)
5
3
37.110.ac (01)
2
FIT
1:1
100%

Артикул

Название

Примечание

Количество

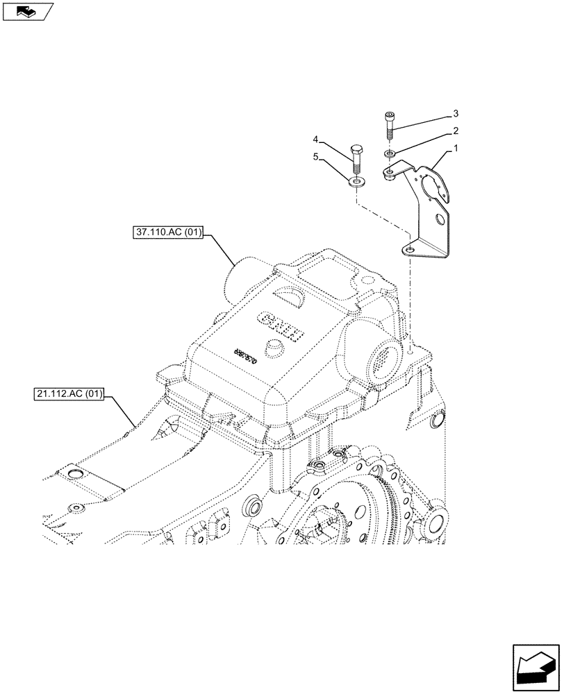
1

84555927

BRACKET

1шт.

2

11198374

BELLEVILLE WASHER,M10 Bolt Size x 20mm OD x 2.6mm Thk

1шт.

3

14307824

SCREW,M10 x 1.25 x 45mm, Cl 8.8

1шт.

4

15540821

SCREW,Hex, M12 x 1.25 x 50mm, Cl 8.8

1шт.

5

11190879

BELLEVILLE WASHER,M12 Bolt Size x 30mm OD

1шт.

Выбрано товаров: 5