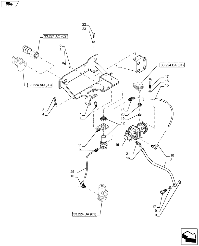
Запчасти Case IH MAXXUM 110 (33.224.AZ[01]) - VAR - 332727, 332739 - PNEUMATIC TRAILER BRAKE - VALVE AND LINES (33) - BRAKES & CONTROLS

Схема запчастей Case IH MAXXUM 110 - (33.224.AZ[01]) - VAR - 332727, 332739 - PNEUMATIC TRAILER BRAKE - VALVE AND LINES (33) - BRAKES & CONTROLS
3
23
18
5
33.224.aq (02)
8
9
10
14
20
6
33.224.ba (01)
22
1
16
2
17
10
7
24
15
19
12
9
11
4
33.224.aq (03)
13
16
25
21
33.224.ba (01)
FIT
1:1
100%

Артикул

Название

Примечание

Количество

1

84157689

SUPPORT

1шт.

Pneumatic Trailer Brake - Universal Type, VAR 332727

1шт.

1

84157684

SUPPORT

1шт.

Pneumatic Trailer Brake - UK Type, VAR 332739

1шт.

2

87471639

HOSE,6.35mm ID x 390mm L, SAE 100R2

1шт.

3

16043221

BOLT,Hex, M8 x 16mm, Cl 8.8, Full Thd

2шт.

4

10571779

LOCK WASHER,Helical Spring, 8.10mm ID x 14.80mm OD x 2.00mm, ZNM

2шт.

5

120100

BOLT,M6 x 20mm, Cl 8.8

2шт.

6

14499301

WASHER,M6 x 12.00mm OD x 1.60mm Overwrite

2шт.

7

84124500

BRACKET

1шт.

8

87471135

SPACER,M8 x 1.25

4шт.

9

5183780

SEALING WASHER,9.73mm ID x 18mm OD x 1.5mm Thk

2шт.

10

87678126

ELBOW,Hex, M12 x 1.4 x 28mm

2шт.

11

87479476

BRACKET

1шт.

12

87678129

REGULATOR

1шт.

13

87677922

90 ELBOW,6.00mm Tube, 1/4" BSPT

1шт.

14

87677921

ADAPTER,6.00mm Tube, 1/4" BSPT

1шт.

15

47419096

HOSE

1шт.

16

82016341

TRAILER BRAKE VALVE

1шт.

17

14308934

HEX SOC SCREW,M8 x 1.25 x 60mm, Cl 10.9

2шт.

18

10516679

LOCK WASHER,Helical Spring, 8.20mm ID x 14.80mm OD x 2.20mm, C72, ZNM

2шт.

19

82019797

O-RING,2.5mm Thk x 14mm ID

1шт.

20

82019796

LOCK NUT

1шт.

21

87588084

HYD CONNECTOR,M10 x 1

1шт.

22

83962783

SCREW,Pozidriv Pan Hd, M6 x 20mm, Cl 4.8, Full Thd

2шт.

23

14496401

WASHER,M6.4 x 12.00mm x 1.60mm

2шт.

24

82018915

BANJO BOLT,M12 x 1 x 23mm

1шт.

25

47419051

HOSE

1шт.

Выбрано товаров: 28